ГОСТ 24222-80 Пленка и лента из фторопласта-4. Технические условия
ГОСТ
Скачать ГОСТ в PDF или DOC бесплатно
Основная информация
Обозначение:
ГОСТ 24222-80
Статус:
Действует
Тип:
ГОСТ
Название русское:
Пленка и лента из фторопласта-4. Технические условия
Название английское:
Film and tape from polytetrafluorethylene. Specifications
Даты и сроки
Дата издания:
04-01-93
Дата введения в действие:
01-01-82
Дата завершения срока действия:
-
Применение и описание
Область и условия применения:
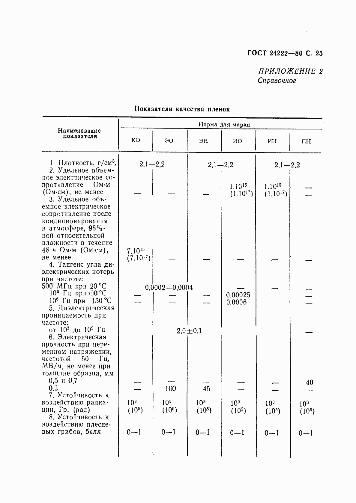
Настоящий стандарт распространяется на пленку и ленту, изготовляемые механическим способом из заготовок фторопласта-4, отпрессованных с последующей термообработкой из порошка фторопласта-4 марок П и ПН по ГОСТ 10007-80. Настоящий стандарт устанавливает единые требования к пленкам и ленте, изготовляемым для нужд народного хозяйства и экспорта
Связи и замены
Заменяющий:
-
Взамен:
ГОСТ 19525-74;ГОСТ 12508-73;ГОСТ 18999-73
Изменения и переиздания
Список изменений:
№1 от (рег. ) «Срок действия продлен» №2 от (рег. ) «Срок действия продлен»
Описание стандарта
ГОСТ 24222-80 Пленка и лента из фторопласта-4. Технические условия
Страницы стандарта



























