ГОСТ 24234-80 Пленка полиэтилентерефталатная. Технические условия
ГОСТ
Скачать ГОСТ в PDF или DOC бесплатно
Основная информация
Обозначение:
ГОСТ 24234-80
Статус:
Действует
Тип:
ГОСТ
Название русское:
Пленка полиэтилентерефталатная. Технические условия
Название английское:
Polyethylene terephtalate film (polyester film). Specifications
Даты и сроки
Дата издания:
12-01-91
Дата введения в действие:
01-01-82
Дата завершения срока действия:
-
Применение и описание
Область и условия применения:
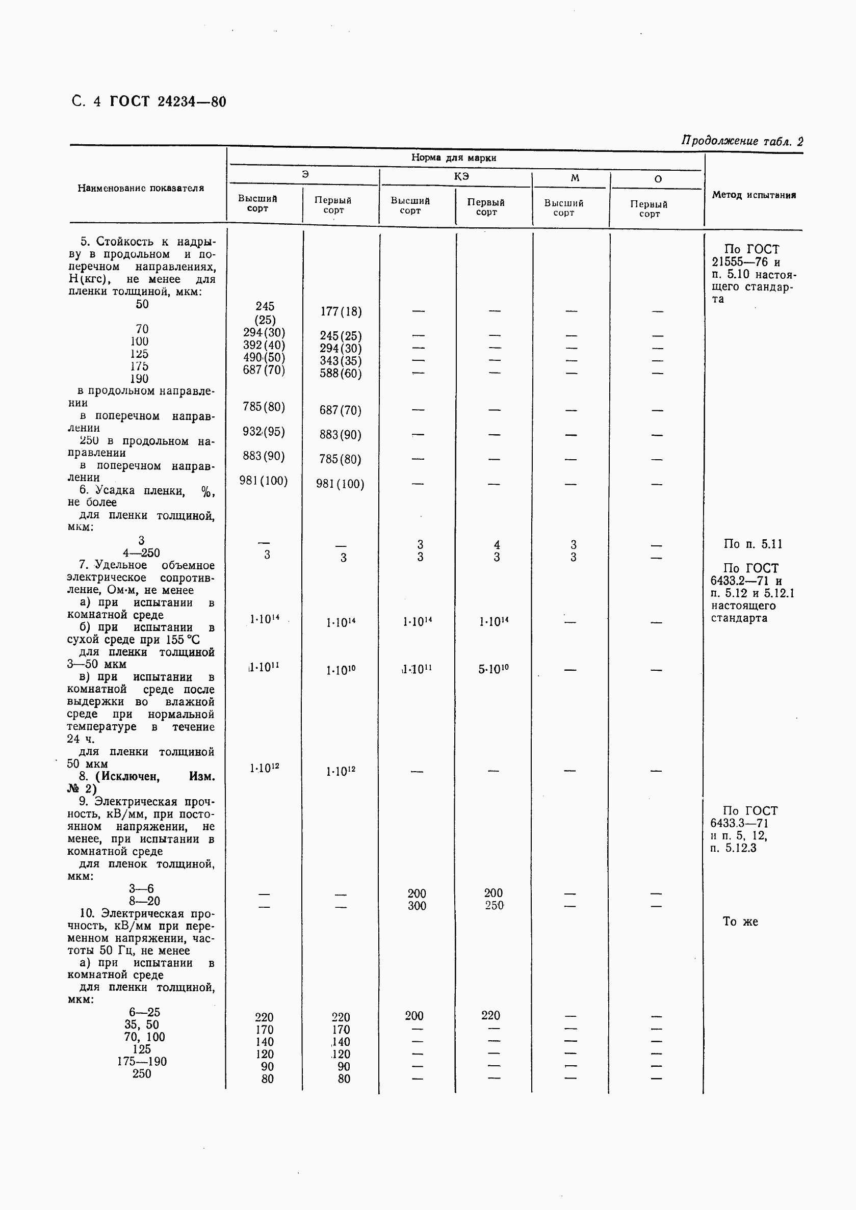
Настоящий стандарт распространяется на полиэтилентерефталатную пленку, изготовляемую из полиэтилентерефталата методом экструзии расплава на поверхность валка с последующей ориентацией, термофиксацией и охлаждением полотна. Стандарт устанавливает требования к пленке, предназначенной для изделий производственно-технического назначения, нужд народного хозяйства и экспорта
Связи и замены
Заменяющий:
-
Изменения и переиздания
Список изменений:
№1 от (рег. ) «Срок действия продлен» №2 от (рег. ) «Срок действия продлен»
Описание стандарта
ГОСТ 24234-80 Пленка полиэтилентерефталатная. Технические условия
Страницы стандарта

















