ГОСТ Р ИСО 249-2017 Каучук натуральный. Определение содержания примесей
ГОСТ Р ИСО
Скачать ГОСТ в PDF или DOC бесплатно
Основная информация
Обозначение:
ГОСТ Р ИСО 249-2017
Статус:
Действует
Тип:
ГОСТ Р ИСО
Название русское:
Каучук натуральный. Определение содержания примесей
Название английское:
Raw natural rubber. Determination of dirt content
Даты и сроки
Дата издания:
08-03-17
Дата введения в действие:
01-01-19
Дата завершения срока действия:
-
Применение и описание
Область и условия применения:
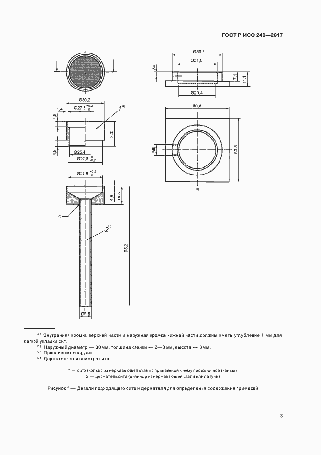
Настоящий стандарт устанавливает метод определения содержания примесей в натуральном каучуке. Метод не используют для определения примесей в виде поверхностного загрязнения
Связи и замены
Заменяющий:
-
Описание стандарта
ГОСТ Р ИСО 249-2017 Каучук натуральный. Определение содержания примесей
Страницы стандарта











