ГОСТ 13518-68 Пластмассы. Метод определения стойкости полиэтилена к растрескиванию под напряжением
ГОСТ
Скачать ГОСТ в PDF или DOC бесплатно
Основная информация
Обозначение:
ГОСТ 13518-68
Статус:
Действует
Тип:
ГОСТ
Название русское:
Пластмассы. Метод определения стойкости полиэтилена к растрескиванию под напряжением
Название английское:
Plastics. Method for determination of environmental stress-cracking resistance of polyethylene
Даты и сроки
Дата издания:
04-01-86
Дата введения в действие:
01-01-69
Дата завершения срока действия:
-
Применение и описание
Область и условия применения:
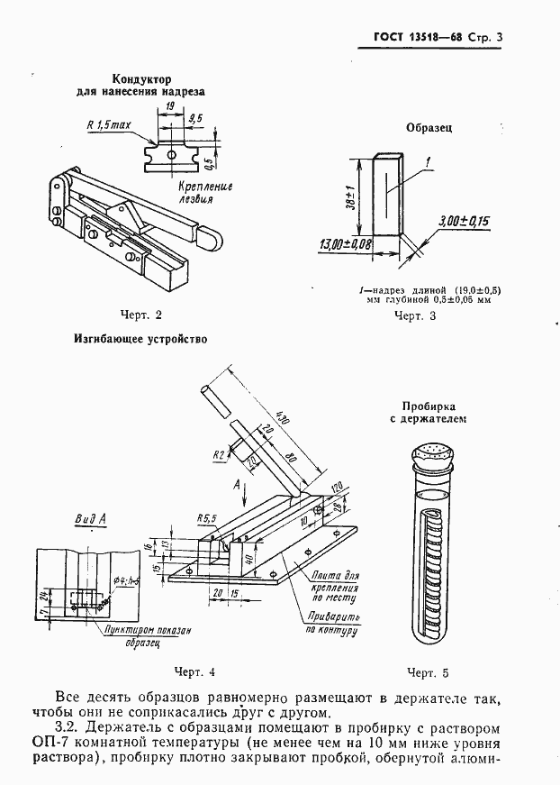
Настоящий стандарт распространяется на пластмассы и устанавливает метод определения стойкости полиэтилена к растрескиванию под напряжением
Связи и замены
Заменяющий:
-
Изменения и переиздания
Список изменений:
№1 от (рег. ) «Срок действия продлен»
Описание стандарта
ГОСТ 13518-68 Пластмассы. Метод определения стойкости полиэтилена к растрескиванию под напряжением
Страницы стандарта





