ГОСТ 20282-86 Полистирол общего назначения. Технические условия
ГОСТ
Скачать ГОСТ в PDF или DOC бесплатно
Основная информация
Обозначение:
ГОСТ 20282-86
Статус:
Действует
Тип:
ГОСТ
Название русское:
Полистирол общего назначения. Технические условия
Название английское:
General-purpose polystyrene. Specifications
Даты и сроки
Дата издания:
07-01-91
Дата введения в действие:
01-01-87
Дата завершения срока действия:
-
Применение и описание
Область и условия применения:
Настоящий стандарт распространяется на полистирол общего назначения, представляющий собой продукт полимеризации стирола в массе или в суспензии, или в эмульсии, и предназначенный для изготовления изделий различными методами термоформования. Полистирол общего назначения изготовляют для нужд народного хозяйства и для экспорта
Связи и замены
Заменяющий:
-
Взамен:
ГОСТ 20282-74
Изменения и переиздания
Список изменений:
№1 от (рег. ) «Срок действия продлен»
Описание стандарта
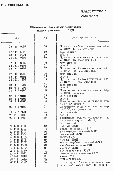
ГОСТ 20282-86 Полистирол общего назначения. Технические условия
Страницы стандарта



































