ГОСТ 20907-75 Смолы фенолоформальдегидные жидкие. Технические условия
ГОСТ
Скачать ГОСТ в PDF или DOC бесплатно
Основная информация
Обозначение:
ГОСТ 20907-75
Статус:
Заменен
Тип:
ГОСТ
Название русское:
Смолы фенолоформальдегидные жидкие. Технические условия
Название английское:
Liquid phenolformaldehyde resins. Specifications
Даты и сроки
Дата издания:
06-01-85
Дата введения в действие:
01-01-77
Дата завершения срока действия:
11-01-17
Применение и описание
Область и условия применения:
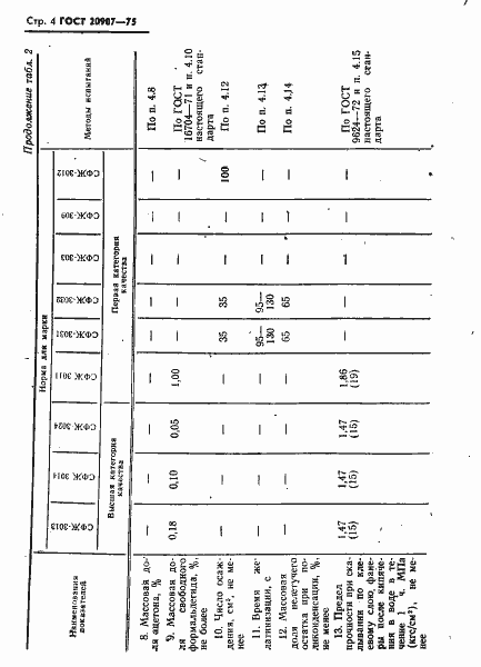
Настоящий стандарт распространяется на жидкие фенолоформальдегидные смолы резольного типа, представляющие собой продукт поликонденсации фенола и формальдегида в присутствии катализатора с добавкой модифицирующих и стабилизирующих веществ или без них
Связи и замены
Заменяющий:
ГОСТ 20907-2016
Изменения и переиздания
Список изменений:
№1 от (рег. ) «Срок действия продлен» №2 от (рег. ) «Срок действия продлен» №3 от (рег. ) «Срок действия продлен» №4 от (рег. ) «Срок действия продлен» №5 от (рег. ) «Срок действия продлен»
Описание стандарта
ГОСТ 20907-75 Смолы фенолоформальдегидные жидкие. Технические условия
Страницы стандарта




































