ГОСТ 9.703-79 Единая система защиты от коррозии и старения. Пластмассы для изделий, предназначенных для эксплуатации в районах с тропическим климатом. Общие требования к выбору и методы испытаний
ГОСТ
Скачать ГОСТ в PDF или DOC бесплатно
Основная информация
Обозначение:
ГОСТ 9.703-79
Статус:
Действует
Тип:
ГОСТ
Название русское:
Единая система защиты от коррозии и старения. Пластмассы для изделий, предназначенных для эксплуатации в районах с тропическим климатом. Общие требования к выбору и методы испытаний
Название английское:
Unified system of corrosion and ageing protection. Plastic materials for items, used in tropical conditions. General requirements for selection and test methods
Даты и сроки
Дата издания:
09-01-85
Дата введения в действие:
06-30-80
Дата завершения срока действия:
-
Применение и описание
Область и условия применения:
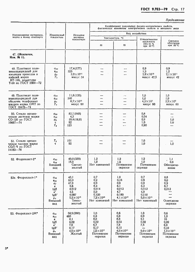
Настоящий стандарт распространяется на пластмассы для деталей машин, приборов и других технических изделий, поставляемых в макроклиматические районы с тропическим кламатом по ГОСТ 15151-69 и устанавливает общие требования к выбору пластмасс и методы их испытаний
Связи и замены
Заменяющий:
-
Изменения и переиздания
Список изменений:
№1 от (рег. ) «Срок действия продлен» №2 от (рег. ) «Срок действия продлен»
Описание стандарта
ГОСТ 9.703-79 Единая система защиты от коррозии и старения. Пластмассы для изделий, предназначенных для эксплуатации в районах с тропическим климатом. Общие требования к выбору и методы испытаний
Страницы стандарта


































































