ГОСТ 10667-90 Стекло органическое листовое. Технические условия
ГОСТ
Скачать ГОСТ в PDF или DOC бесплатно
Основная информация
Обозначение:
ГОСТ 10667-90
Статус:
Действует
Тип:
ГОСТ
Название русское:
Стекло органическое листовое. Технические условия
Название английское:
Sheet organic glass. Specifications
Даты и сроки
Дата издания:
07-25-90
Дата введения в действие:
06-30-91
Дата завершения срока действия:
-
Применение и описание
Область и условия применения:
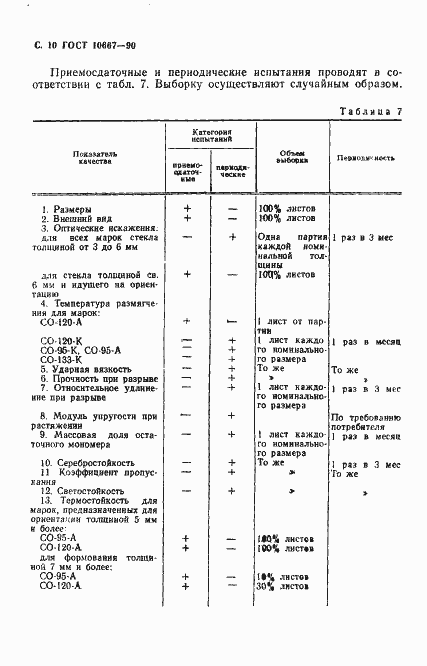
Настоящий стандарт распространяется на листовое органическое стекло, представляющее собой пластифицированный и непластифицированный полимер метилового эфира метакриловой кислоты или его сополимера, изготовляемое для нужд народного хозяйства и экспорта
Связи и замены
Заменяющий:
-
Взамен:
ГОСТ 10667-74;ГОСТ 15809-70
Описание стандарта
ГОСТ 10667-90 Стекло органическое листовое. Технические условия
Страницы стандарта


































