ГОСТ 24811-81 Грязесъемники резиновые для штоков. Типы, основные параметры и размеры
ГОСТ
Скачать ГОСТ в PDF или DOC бесплатно
Основная информация
Обозначение:
ГОСТ 24811-81
Статус:
Действует
Тип:
ГОСТ
Название русское:
Грязесъемники резиновые для штоков. Типы, основные параметры и размеры
Название английское:
Rubber wipers for rods. Types, basic parameters and dimensions
Даты и сроки
Дата издания:
12-01-03
Дата введения в действие:
06-30-82
Дата завершения срока действия:
-
Применение и описание
Область и условия применения:
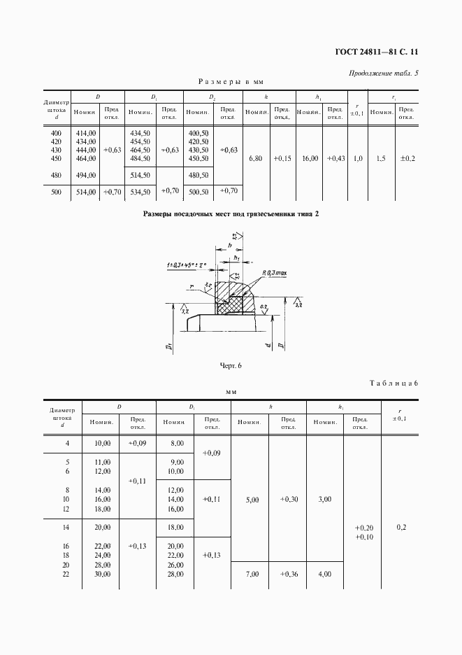
Настоящий стандарт распространяется на резиновые грязесъемники для штоков гидро- и пневмоцилиндров, предназначенные для защиты уплотняемых полостей от грязи
Связи и замены
Заменяющий:
-
Изменения и переиздания
Список изменений:
№0 от (рег. ) «Дата введения перенесена» №1 от (рег. ) «Срок действия продлен» №2 от (рег. ) «Срок действия продлен»
Описание стандарта
ГОСТ 24811-81 Грязесъемники резиновые для штоков. Типы, основные параметры и размеры
Страницы стандарта



















