ГОСТ 20927-75 Вкладыши к блоку для сменных пресс-форм прямого прессования. Конструкция и размеры
ГОСТ
Скачать ГОСТ в PDF или DOC бесплатно
Основная информация
Обозначение:
ГОСТ 20927-75
Статус:
Действует
Тип:
ГОСТ
Название русское:
Вкладыши к блоку для сменных пресс-форм прямого прессования. Конструкция и размеры
Название английское:
Inserts to the unit for changeable compression moulding press-moulds. Construction and dimensions
Даты и сроки
Дата издания:
10-24-75
Дата введения в действие:
06-30-76
Дата завершения срока действия:
-
Применение и описание
Область и условия применения:
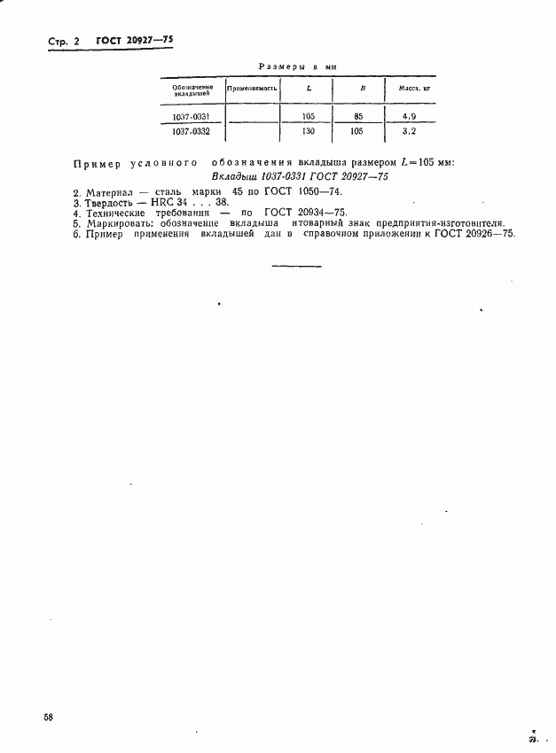
Настоящий стандарт устанавливает конструкцию и размеры вкладышей к блоку для сменных пресс-форм прямого прессования
Связи и замены
Заменяющий:
-
Изменения и переиздания
Список изменений:
№1 от (рег. ) «Срок действия продлен» №2 от (рег. ) «Срок действия продлен»
Описание стандарта
ГОСТ 20927-75 Вкладыши к блоку для сменных пресс-форм прямого прессования. Конструкция и размеры
Страницы стандарта


