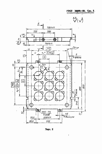
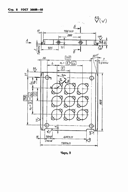
ГОСТ 26608-85 Блоки двухкассетных пресс-форм для изготовления резинотехнических изделий на прессах с размерами греющих плит 800х800 мм. Конструкция и размеры
ГОСТ
Скачать ГОСТ в PDF или DOC бесплатно
Основная информация
Обозначение:
ГОСТ 26608-85
Статус:
Действует
Тип:
ГОСТ
Название русское:
Блоки двухкассетных пресс-форм для изготовления резинотехнических изделий на прессах с размерами греющих плит 800х800 мм. Конструкция и размеры
Название английское:
Blocks of two-kassette press moulds for producing the rubber technical parts on presses with heating plates dimensions 800x800 mm. Design and dimensions
Даты и сроки
Дата издания:
11-27-85
Дата введения в действие:
05-31-87
Дата завершения срока действия:
-
Применение и описание
Область и условия применения:
Настоящий стандарт распространяется на блоки двухкассетных пресс-форм для изготовления резинотехнических изделий на вулканизационных прессах с размерами греющих плит 800х800 мм, оборудованных перезарядчиками по ГОСТ 24276-80
Связи и замены
Заменяющий:
-
Описание стандарта
ГОСТ 26608-85 Блоки двухкассетных пресс-форм для изготовления резинотехнических изделий на прессах с размерами греющих плит 800х800 мм. Конструкция и размеры
Страницы стандарта














