ГОСТ 23171-78 Эмаль АК-512. Технические условия
ГОСТ
Скачать ГОСТ в PDF или DOC бесплатно
Основная информация
Обозначение:
ГОСТ 23171-78
Статус:
Действует
Тип:
ГОСТ
Название русское:
Эмаль АК-512. Технические условия
Название английское:
Enamel AK-512. Specifications
Даты и сроки
Дата издания:
06-01-90
Дата введения в действие:
06-30-79
Дата завершения срока действия:
-
Применение и описание
Область и условия применения:
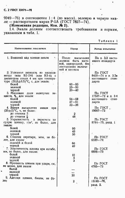
Настоящий стандарт распространяется на эмаль АК-512, представляющую собой суспензию пигментов и наполнителей в растворе акриловых смол. Эмаль АК-512 предназначается для окраски предварительно загрунтованных металлических поверхностей изделий, эксплуатирующихся в специальных условиях и в районах с умеренным климатом. Эмаль наносят методом пневматического распыления
Связи и замены
Заменяющий:
-
Изменения и переиздания
Список изменений:
№1 от (рег. ) «Срок действия продлен» №2 от (рег. ) «Срок действия продлен»
Описание стандарта
ГОСТ 23171-78 Эмаль АК-512. Технические условия
Страницы стандарта









