ГОСТ 6732.3-89 Красители органические, продукты промежуточные для красителей, вещества текстильно-вспомогательные. Упаковка
ГОСТ
Скачать ГОСТ в PDF или DOC бесплатно
Основная информация
Обозначение:
ГОСТ 6732.3-89
Статус:
Действует
Тип:
ГОСТ
Название русское:
Красители органические, продукты промежуточные для красителей, вещества текстильно-вспомогательные. Упаковка
Название английское:
Organic dyes, intermediates for dyes, auxiliary compounds for textiles. Packing
Даты и сроки
Дата издания:
08-01-93
Дата введения в действие:
01-01-91
Дата завершения срока действия:
-
Применение и описание
Область и условия применения:
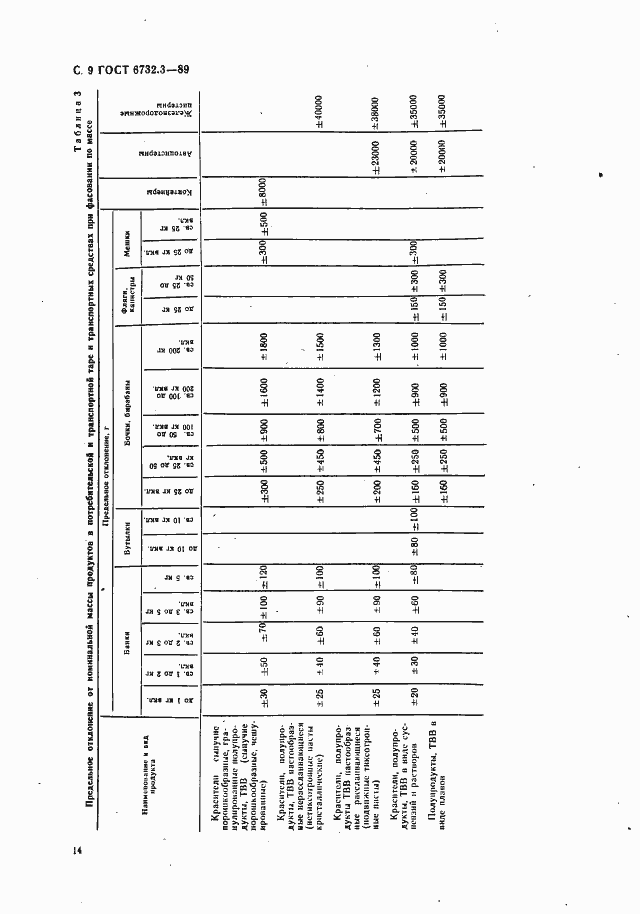
Настоящий стандарт распространяется на органические красители, промежуточные продукты для красителей, текстильно-вспомогательные вещества и устанавливает требования к упаковке продукции
Связи и замены
Заменяющий:
-
Взамен в части:
ГОСТ 6732-76 в части разд. 3
Описание стандарта
ГОСТ 6732.3-89 Красители органические, продукты промежуточные для красителей, вещества текстильно-вспомогательные. Упаковка
Страницы стандарта










