ГОСТ 14624-84 Двери деревянные для производственных зданий. Типы, конструкция и размеры
ГОСТ
Скачать ГОСТ в PDF или DOC бесплатно
Основная информация
Обозначение:
ГОСТ 14624-84
Статус:
Заменен
Тип:
ГОСТ
Название русское:
Двери деревянные для производственных зданий. Типы, конструкция и размеры
Название английское:
Wood doors for industrial buildings. Types, construction and dimensions
Даты и сроки
Дата издания:
07-01-00
Дата введения в действие:
07-01-85
Дата завершения срока действия:
07-01-17
Применение и описание
Область и условия применения:
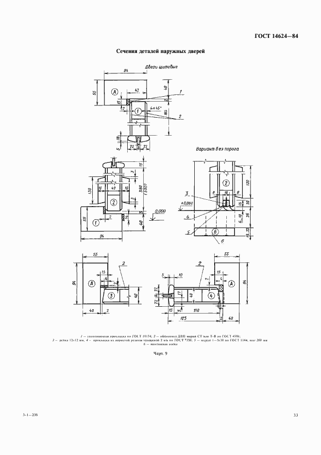
Настоящий стандарт распространяется на деревянные внутренние и наружные двери для производственных зданий промышленных и сельскохозяйственных предприятий. Стандарт не распространяется на двери специального исполнения (трудносгораемые, несгораемые, звукоизолирующие)
Связи и замены
Заменяющий:
ГОСТ 475-2016
Взамен:
ГОСТ 14624-69;ГОСТ 17324-71
Описание стандарта
ГОСТ 14624-84 Двери деревянные для производственных зданий. Типы, конструкция и размеры
Страницы стандарта











