ГОСТ 5089-2003 Замки и защелки для дверей. Технические условия
ГОСТ
Скачать ГОСТ в PDF или DOC бесплатно
Основная информация
Обозначение:
ГОСТ 5089-2003
Статус:
Заменен
Тип:
ГОСТ
Название русское:
Замки и защелки для дверей. Технические условия
Название английское:
Locks and latches for doors. Specifications
Даты и сроки
Дата регистрации:
05-14-03
Дата издания:
07-08-04
Дата введения в действие:
03-01-04
Дата завершения срока действия:
01-01-13
Применение и описание
Область и условия применения:
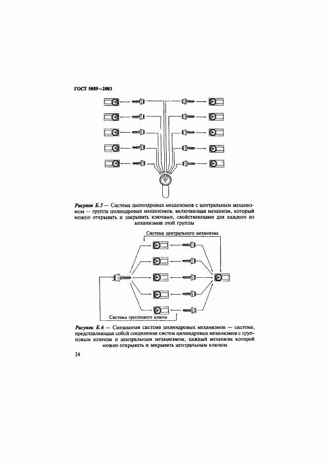
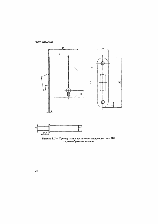
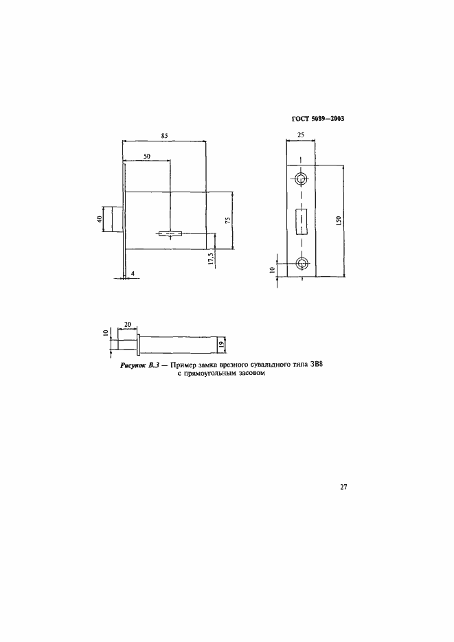
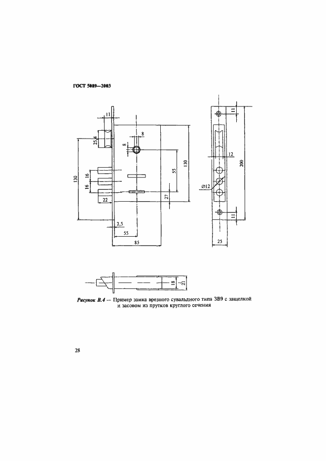
Настоящий стандарт распространяется на врезные и накладные замки с различными механизмами секретности, цилиндровые механизмы и защелки для дверей из различных материалов, применяемых в жилых, общественных и производственных зданиях
Связи и замены
Заменяющий:
ГОСТ 5089-2011
Взамен:
ГОСТ 5089-97
Изменения и переиздания
Список изменений:
№0 от (рег. ) «Дата введения перенесена»
Описание стандарта
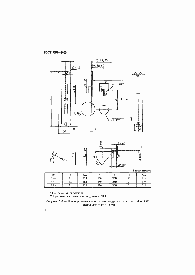
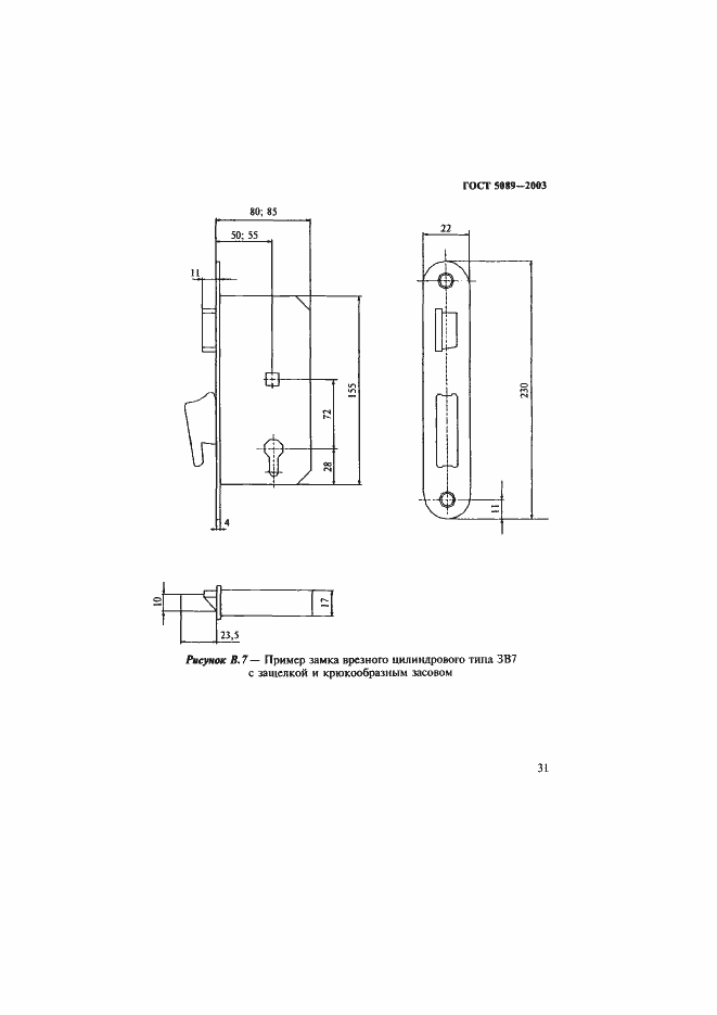
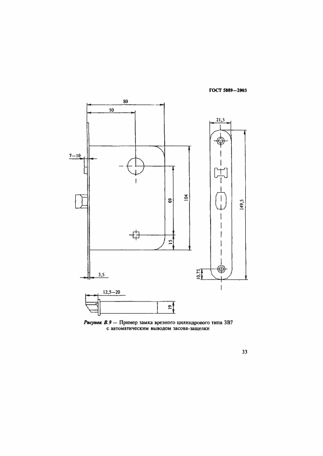
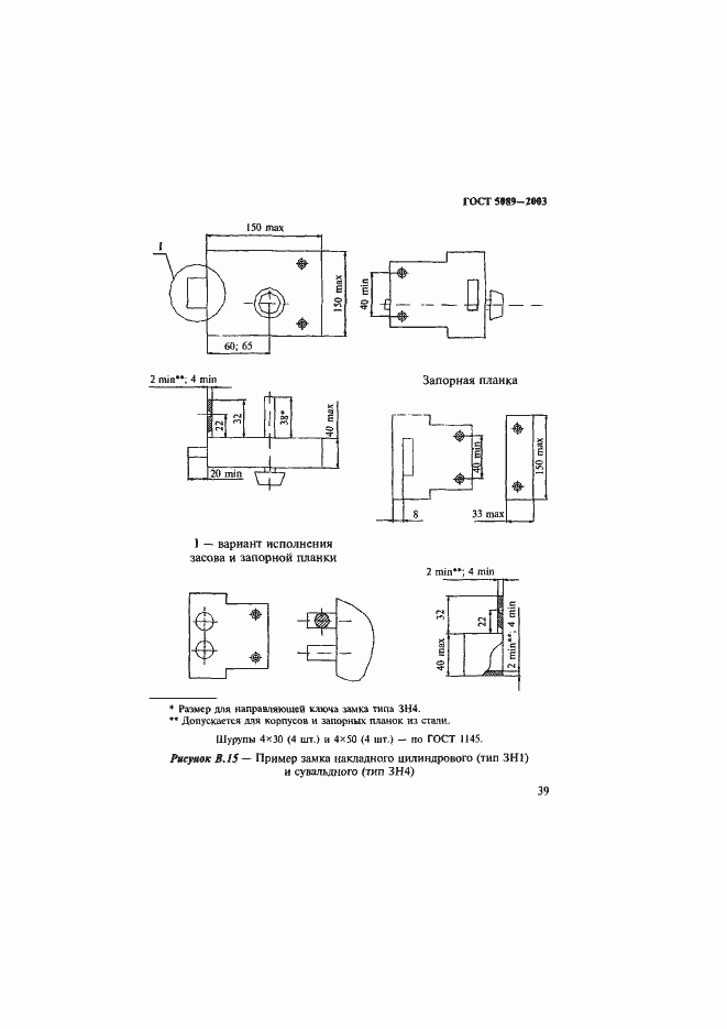
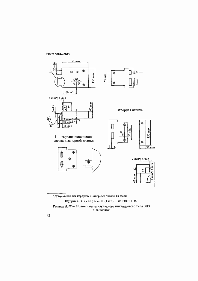
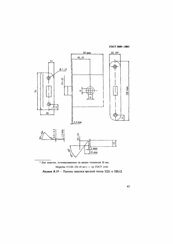
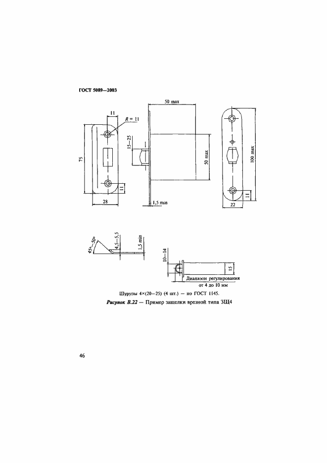
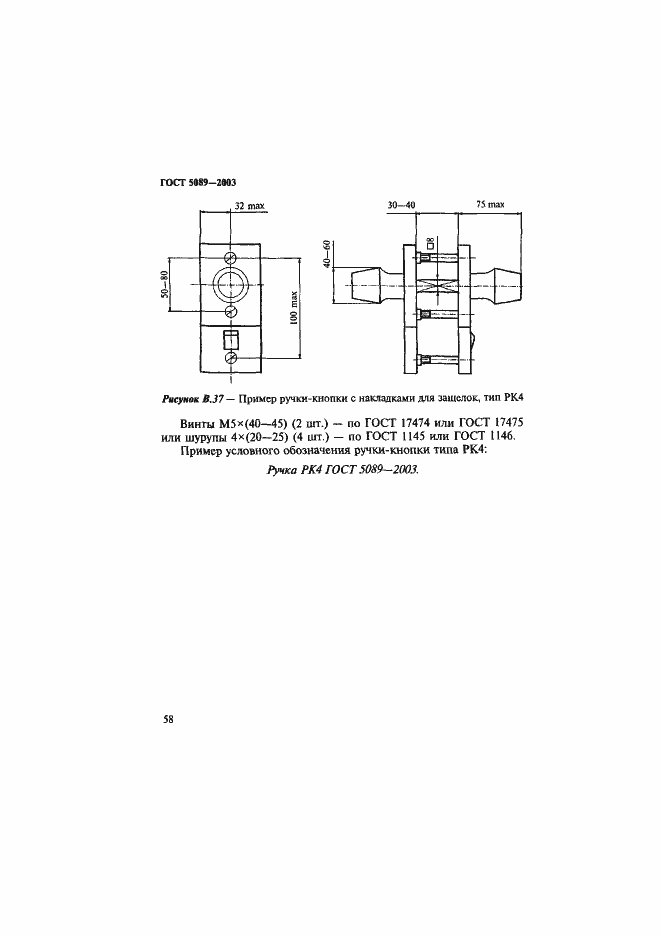
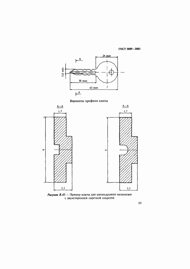
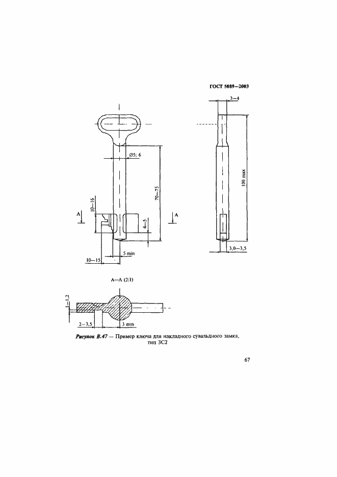
ГОСТ 5089-2003 Замки и защелки для дверей. Технические условия
Страницы стандарта











































































Приложение №2: Поправка к ГОСТ 5089-2003 Обозначение: Поправка к ГОСТ 5089-2003 Дата введения в действие: 03.09.2007
