ГОСТ 30971-2012 Швы монтажные узлов примыкания оконных блоков к стеновым проемам. Общие технические условия
ГОСТ
Скачать ГОСТ в PDF или DOC бесплатно
Основная информация
Обозначение:
ГОСТ 30971-2012
Статус:
Действует
Тип:
ГОСТ
Название русское:
Швы монтажные узлов примыкания оконных блоков к стеновым проемам. Общие технические условия
Название английское:
Erection to joints of window assemblies adjoined to wall openings. General specifications
Даты и сроки
Дата регистрации:
06-14-12
Дата издания:
10-01-14
Дата введения в действие:
01-01-14
Дата завершения срока действия:
-
Применение и описание
Область и условия применения:
Настоящий стандарт применяют при разработке конструкторской и технологической документации на производство монтажных работ при новом строительстве и реконструкции (включая замену оконных конструкций в эксплуатируемых помещениях). Требования настоящего стандарта могут быть применены при проектировании и устройстве узлов примыканий наружных дверей, ворот, витражных конструкций и ленточного остекления. Настоящий стандарт не распространяется на все типы навесных фасадных конструкций, зимних садов и светопрозрачных кровель, а также на мансардные оконные блоки, на оконные блоки специального назначения в части дополнительных требований к пожаробезопасности, защите от взлома
Связи и замены
Заменяющий:
-
Взамен:
ГОСТ 30971-2002
Описание стандарта
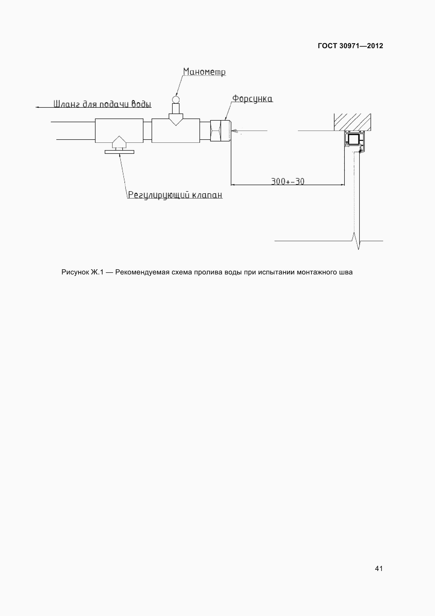
ГОСТ 30971-2012 Швы монтажные узлов примыкания оконных блоков к стеновым проемам. Общие технические условия
Страницы стандарта

















































Приложение №1: Поправка к ГОСТ 30971-2012 Обозначение: Поправка к ГОСТ 30971-2012 Дата введения в действие: 30.12.2021
