ГОСТ 23682-79 Колонны стальные ступенчатые для зданий с мостовыми электрическими кранами общего назначения грузоподъемностью до 50 т. Технические условия
ГОСТ
Скачать ГОСТ в PDF или DOC бесплатно
Основная информация
Обозначение:
ГОСТ 23682-79
Статус:
Утратил силу в РФ
Тип:
ГОСТ
Название русское:
Колонны стальные ступенчатые для зданий с мостовыми электрическими кранами общего назначения грузоподъемностью до 50 т. Технические условия
Название английское:
Steel stepped columns for buildings with general-purpose overhead electric cranes of 50 tn capacity. Specifications
Даты и сроки
Дата издания:
10-02-79
Дата введения в действие:
01-01-81
Дата завершения срока действия:
01-01-10
Применение и описание
Область и условия применения:
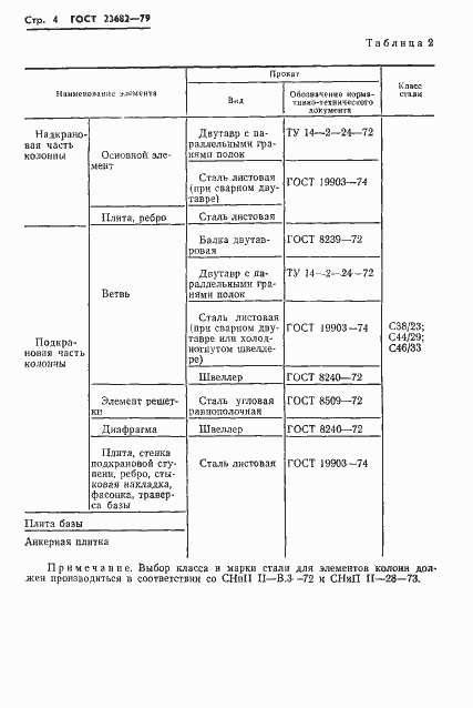
Настоящий стандарт распространяется на стальные сварные ступенчатые колонны с надкрановой (верхней) сплошностенчатой частью и подкрановой (нижней) решетчатой частью
Связи и замены
Заменяющий:
-
Изменения и переиздания
Список изменений:
№0 от (рег. ) «Поправка к изменению»
Описание стандарта
ГОСТ 23682-79 Колонны стальные ступенчатые для зданий с мостовыми электрическими кранами общего назначения грузоподъемностью до 50 т. Технические условия
Страницы стандарта















