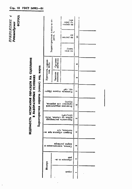
ГОСТ 24992-81 Конструкции каменные. Метод определения прочности сцепления в каменной кладке
ГОСТ
Скачать ГОСТ в PDF или DOC бесплатно
Основная информация
Обозначение:
ГОСТ 24992-81
Статус:
Заменен
Тип:
ГОСТ
Название русское:
Конструкции каменные. Метод определения прочности сцепления в каменной кладке
Название английское:
Masonry structures. Method of estimating bonding strength in masonry
Даты и сроки
Дата издания:
04-08-82
Дата введения в действие:
06-30-82
Дата завершения срока действия:
07-01-15
Применение и описание
Область и условия применения:
Настоящий стандарт распространяется на все виды каменной кладки
Связи и замены
Заменяющий:
ГОСТ 24992-2014
Описание стандарта
ГОСТ 24992-81 Конструкции каменные. Метод определения прочности сцепления в каменной кладке
Страницы стандарта



















