ГОСТ 27579-88 Фермы стальные стропильные из гнутосварных профилей прямоугольного сечения. Технические условия
ГОСТ
Скачать ГОСТ в PDF или DOC бесплатно
Основная информация
Обозначение:
ГОСТ 27579-88
Статус:
Утратил силу в РФ
Тип:
ГОСТ
Название русское:
Фермы стальные стропильные из гнутосварных профилей прямоугольного сечения. Технические условия
Название английское:
Rectangular formed-welded section roof trusses. Specifications
Даты и сроки
Дата издания:
04-19-88
Дата введения в действие:
06-30-88
Дата завершения срока действия:
01-01-10
Применение и описание
Область и условия применения:
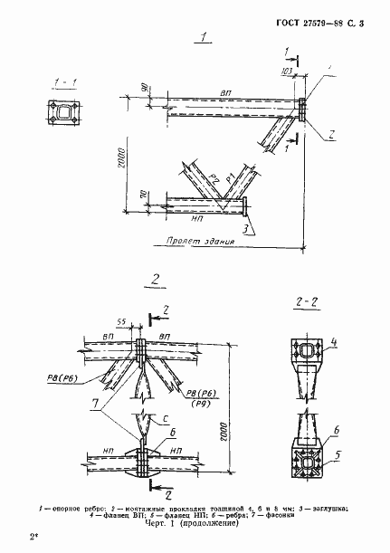
Настоящий стандарт распространяется на стальные сварные стропильные фермы из гнутосварных профилей прямоугольного сечения (типа " Молодечно") с уклоном верхнего пояса 1,5 %, предназначенные для отапливаемых зданий пролетами 18, 24 и 30 м, с рулонной или мастичной кровлей по стальным профилированным листам; с неагрессивными или слабоагрессивными средами; возводимые в любых климатических районах по ГОСТ 16350-80 и с сейсмичностью до 9 баллов включительно. Стандарт также распространяется на фермы для зданий с мостовыми кранами групп режимов работы 1К-6К по ГОСТ 25546-82 и подвесными кранами грузоподъемностью до 5 т. На фермах допускается располагать зенитные фонари, крышные вентиляторы, а в межферменном пространстве прокладывать воздуховоды и другие коммуникации
Связи и замены
Заменяющий:
-
Изменения и переиздания
Список изменений:
№0 от (рег. ) «Поправка к изменению»
Описание стандарта
ГОСТ 27579-88 Фермы стальные стропильные из гнутосварных профилей прямоугольного сечения. Технические условия
Страницы стандарта


















