ГОСТ 24893-2016 Балки обвязочные железобетонные для зданий промышленных предприятий. Технические условия
ГОСТ
Скачать ГОСТ в PDF или DOC бесплатно
Основная информация
Обозначение:
ГОСТ 24893-2016
Статус:
Действует
Тип:
ГОСТ
Название русское:
Балки обвязочные железобетонные для зданий промышленных предприятий. Технические условия
Название английское:
Reinforced concrete frame brace for industrial buildings. Specifications
Даты и сроки
Дата регистрации:
03-29-16
Дата издания:
12-06-19
Дата введения в действие:
01-01-17
Дата завершения срока действия:
-
Применение и описание
Область и условия применения:
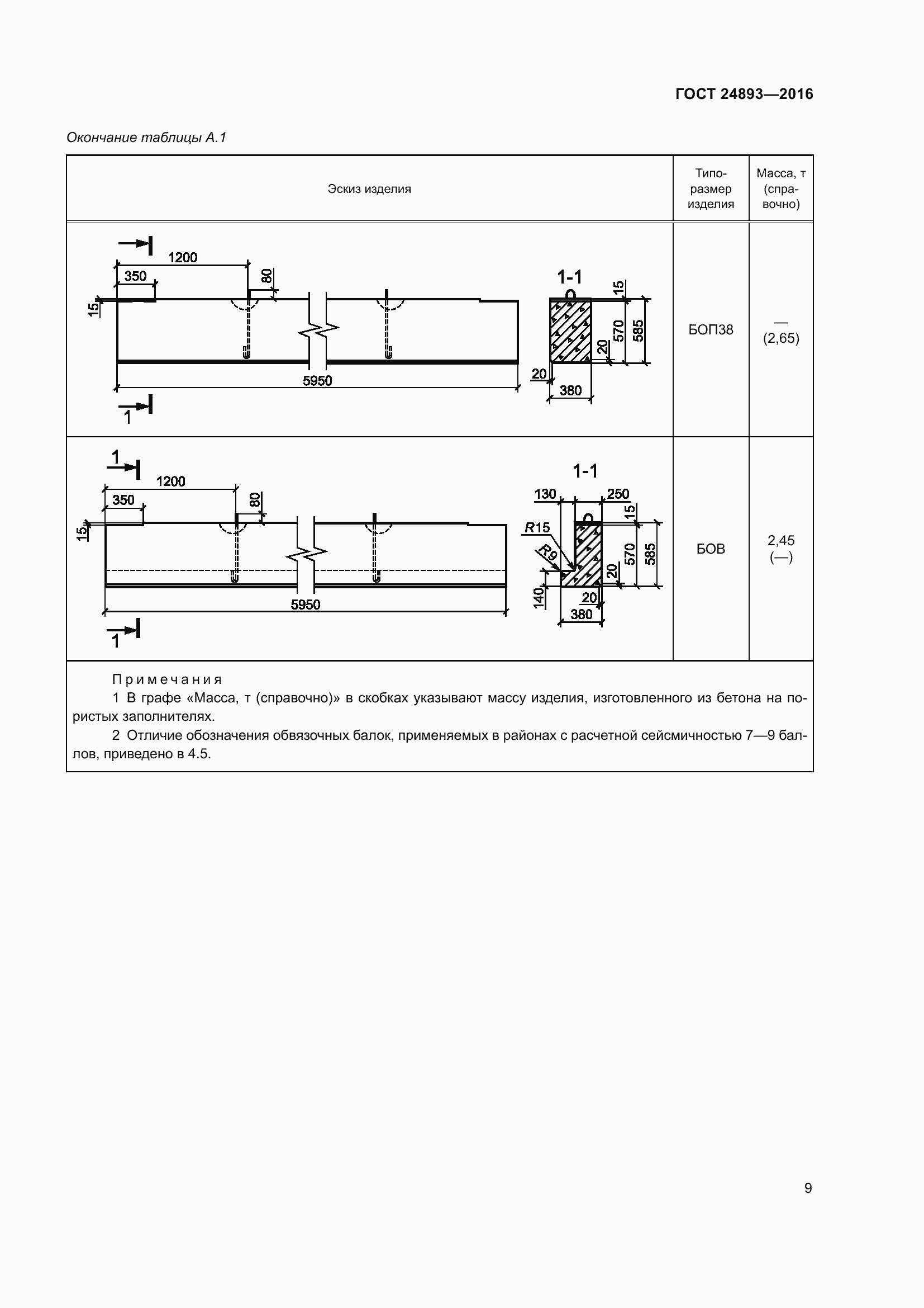
Настоящий стандарт устанавливает технические требования, методы контроля и правила приемки, транспортирования и хранения железобетонных обвязочных балок, изготовляемых из тяжелого бетона и бетона на пористых заполнителях. Стандарт распространяется на обвязочные балки координационной длиной 6,0 м, применяемые в навесных каменных (из кирпича и легкобетонных камней), наружных и внутренних стенах, в том числе в местах перепада высот, производственных и вспомогательных зданий промышленных предприятий
Связи и замены
Заменяющий:
-
Взамен:
ГОСТ 24893.0-81;ГОСТ 24893.1-81;ГОСТ 24893.2-81
Описание стандарта
ГОСТ 24893-2016 Балки обвязочные железобетонные для зданий промышленных предприятий. Технические условия
Страницы стандарта

















Приложение №1: Поправка к ГОСТ 24893-2016 Обозначение: Поправка к ГОСТ 24893-2016 Дата введения в действие: 30.12.2021
