ГОСТ 25628.3-2016 Колонны железобетонные крановые для одноэтажных зданий предприятий. Технические условия
ГОСТ
Скачать ГОСТ в PDF или DOC бесплатно
Основная информация
Обозначение:
ГОСТ 25628.3-2016
Статус:
Действует
Тип:
ГОСТ
Название русское:
Колонны железобетонные крановые для одноэтажных зданий предприятий. Технические условия
Название английское:
Reinforced concrete columns with cranes for single-storey industrial buildings. Specifications
Даты и сроки
Дата регистрации:
03-29-16
Дата издания:
07-25-16
Дата введения в действие:
01-01-17
Применение и описание
Область и условия применения:
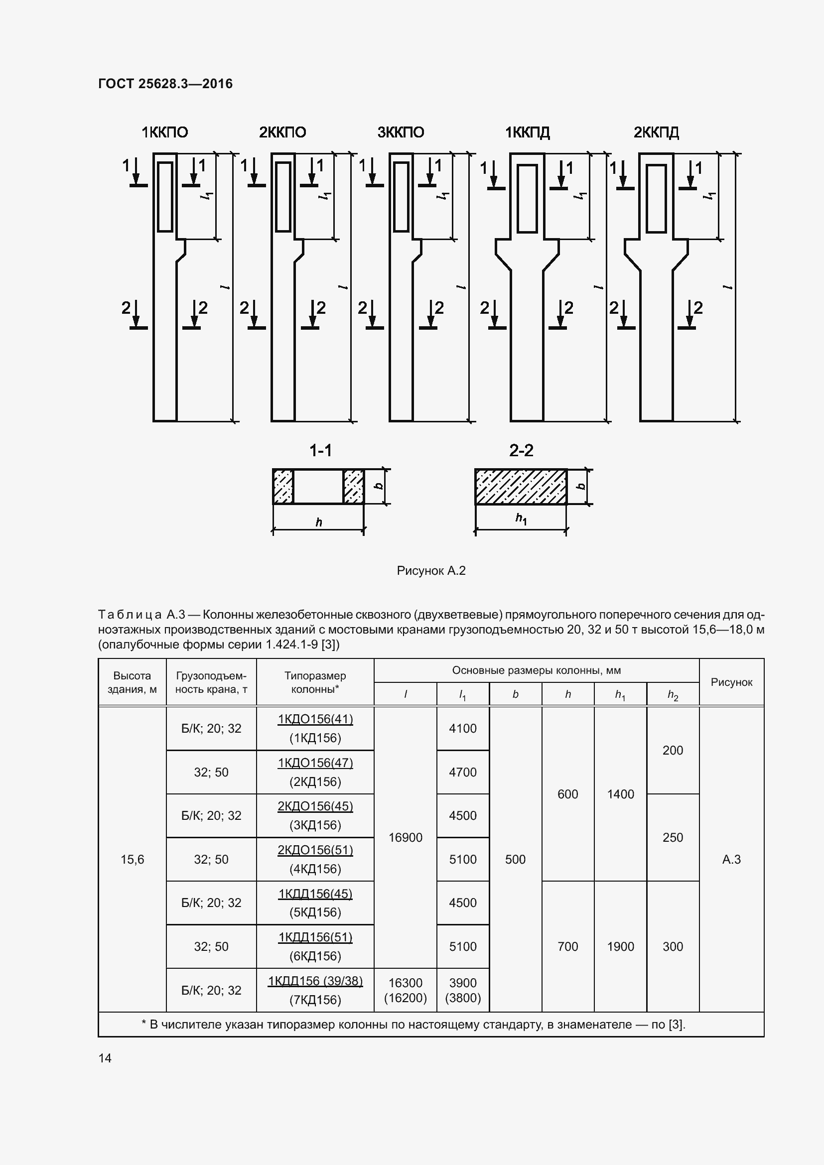
Настоящий стандарт распространяется на железобетонные колонны из тяжелого бетона, предназначенные для каркасов одноэтажных зданий предприятий с мостовыми опорными кранами грузоподъемностью до 50 т всех отраслей промышленности. Стандарт устанавливает дополнительные требования к основным размерам и маркировке железобетонных колонн. Основные требования по изготовлению, маркировке, приемке, транспортированию и хранению железобетонных колонн приведены в ГОСТ 25628.1. Совместное использование настоящего стандарта с ГОСТ 25628.2 обеспечивает строительный комплекс всей номенклатурой требуемых типов и типоразмеров колонн
Описание стандарта
ГОСТ 25628.3-2016 Колонны железобетонные крановые для одноэтажных зданий предприятий. Технические условия
Страницы стандарта

























Приложение №1: Поправка к ГОСТ 25628.3-2016 Обозначение: Поправка к ГОСТ 25628.3-2016 Дата введения в действие: 30.12.2021
