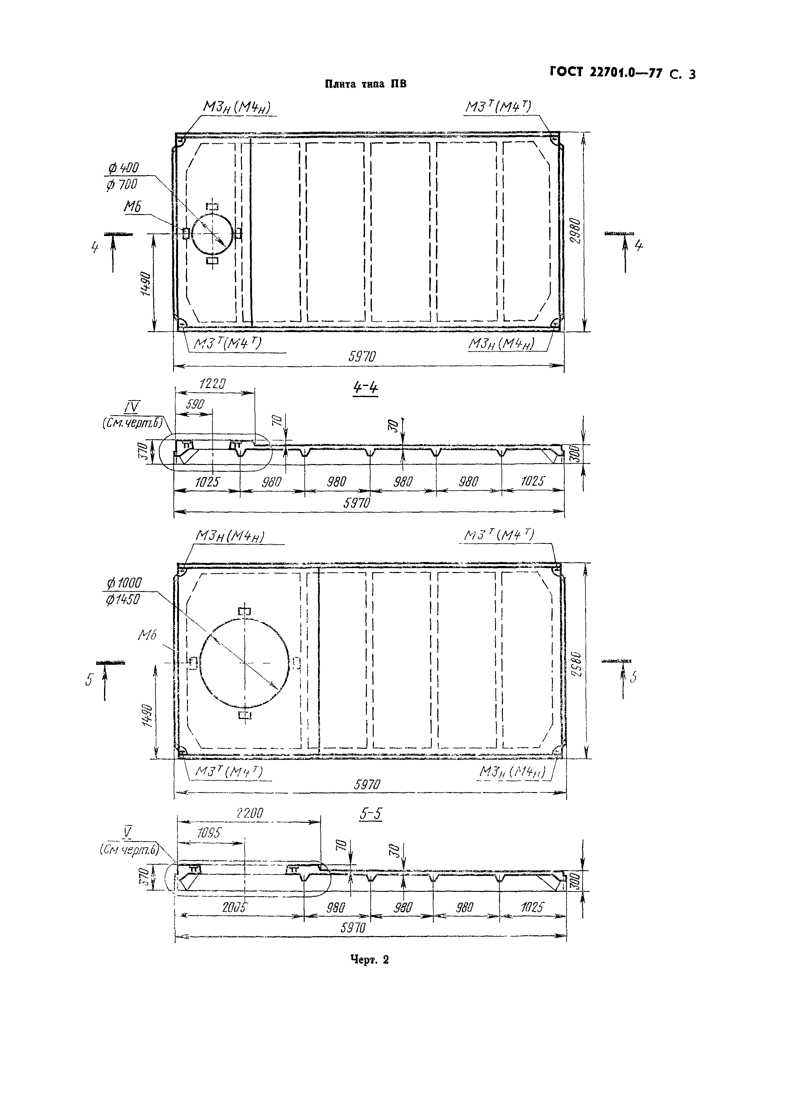
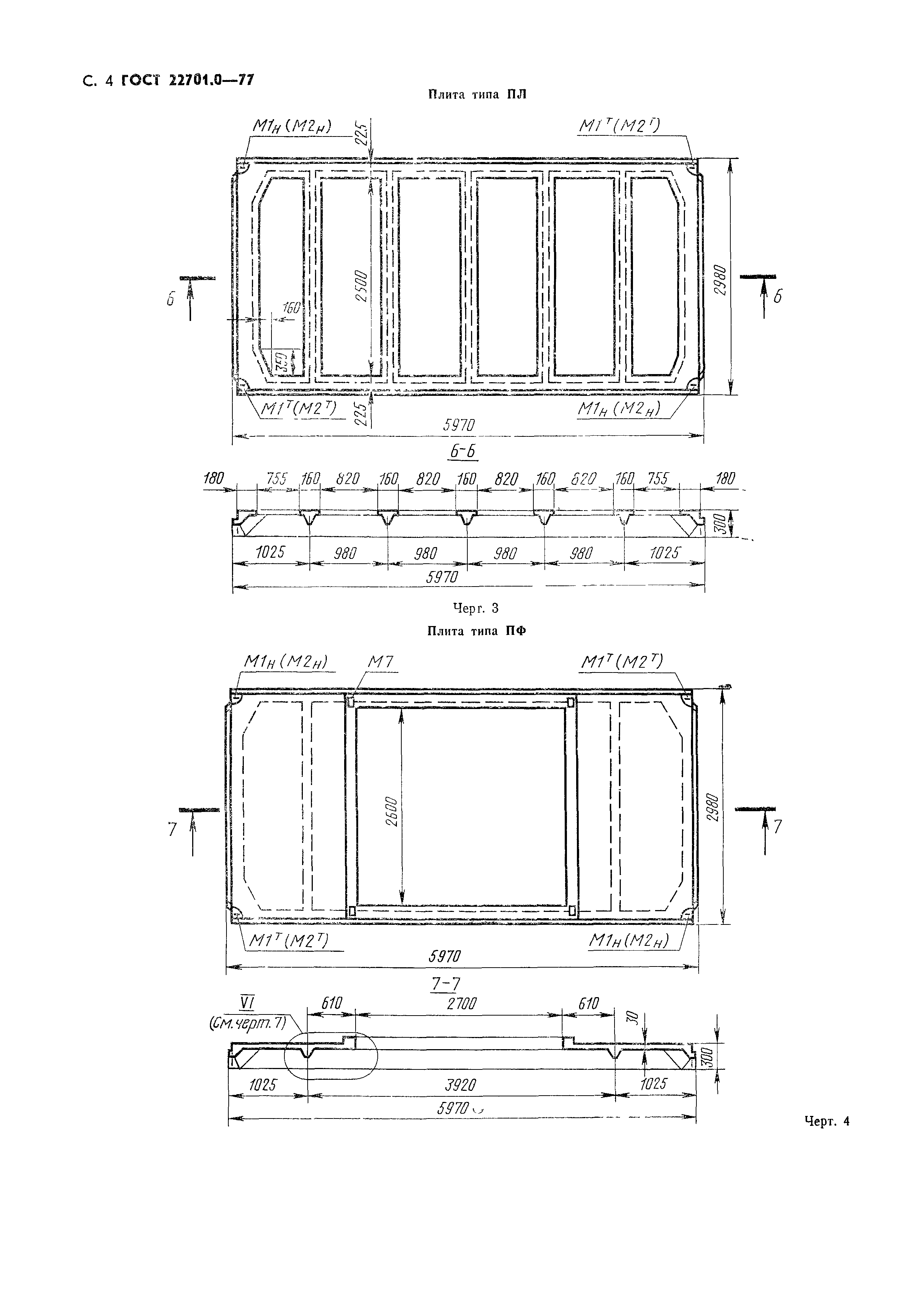
ГОСТ 22701.0-77 Плиты железобетонные ребристые предварительно напряженные размерами 6х3 м для покрытий производственных зданий. Технические условия
ГОСТ
Скачать ГОСТ в PDF или DOC бесплатно
Основная информация
Обозначение:
ГОСТ 22701.0-77
Статус:
утратил силу в РФ
Тип:
ГОСТ
Название русское:
Плиты железобетонные ребристые предварительно напряженные размерами 6х3 м для покрытий производственных зданий. Технические условия
Даты и сроки
Дата введения в действие:
07-01-77
Дата завершения срока действия:
01-01-92
Связи и замены
Заменяющий:
-
Описание стандарта
ГОСТ 22701.0-77 Плиты железобетонные ребристые предварительно напряженные размерами 6х3 м для покрытий производственных зданий. Технические условия
Страницы стандарта
























