ГОСТ 25046-81 Иглы инъекционные однократного применения. Основные размеры. Технические требования. Методы испытаний
ГОСТ
Скачать ГОСТ в PDF или DOC бесплатно
Основная информация
Обозначение:
ГОСТ 25046-81
Статус:
Утратил силу в РФ
Тип:
ГОСТ
Название русское:
Иглы инъекционные однократного применения. Основные размеры. Технические требования. Методы испытаний
Название английское:
Single use needles for injections. Basic dimensions. Technical requirements. Test methods
Даты и сроки
Дата издания:
09-01-84
Дата введения в действие:
01-01-83
Дата завершения срока действия:
09-01-10
Применение и описание
Область и условия применения:
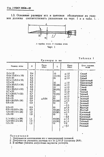
Настоящий стандарт распространяется на стерильные инъекционные иглы однократного применения, предназначенные для внутримышечного, подкожного, внутривенного введения в организм человека различных жидких лекарственных препаратов, применяемых в медицинской практике, а также для отбора крови, и устанавливает основные размеры, технические требования и методы испытаний
Связи и замены
Заменяющий:
-
Изменения и переиздания
Список изменений:
№0 от (рег. ) «Поправка к изменению» №1 от (рег. ) «Срок действия продлен» №2 от (рег. ) «Срок действия продлен» №3 от (рег. ) «Срок действия продлен» №4 от (рег. ) «Срок действия продлен» №5 от (рег. ) «Срок действия продлен» №6 от (рег. ) «Срок действия продлен» №7 от (рег. ) «Срок действия продлен» №8 от (рег. ) «Срок действия продлен»
Описание стандарта
ГОСТ 25046-81 Иглы инъекционные однократного применения. Основные размеры. Технические требования. Методы испытаний
Страницы стандарта



























