ГОСТ 6102-78 Ткани асбестовые. Технические условия
ГОСТ
Скачать ГОСТ в PDF или DOC бесплатно
Основная информация
Обозначение:
ГОСТ 6102-78
Статус:
Заменен
Тип:
ГОСТ
Название русское:
Ткани асбестовые. Технические условия
Название английское:
Asbestos cloth. Specifications
Даты и сроки
Дата введения в действие:
06-30-79
Дата завершения срока действия:
01-01-96
Применение и описание
Область и условия применения:
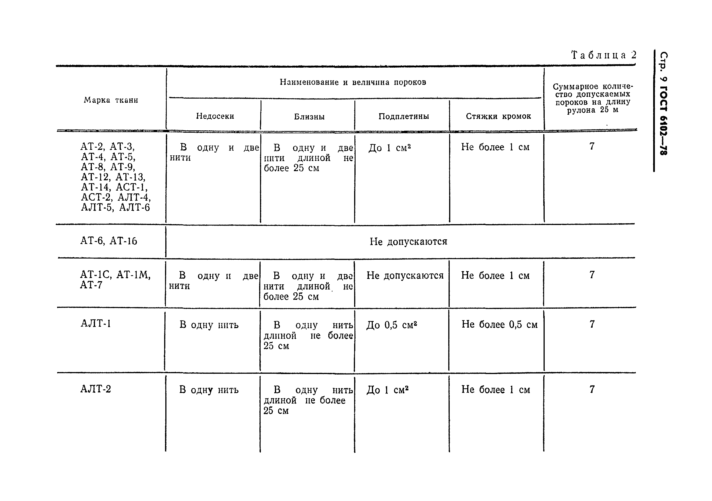
Настоящий стандарт распространяется на асбестовые ткани, применяемые в качестве теплоизоляции, диафрагмы при электролизе воды, а также для изготовления теплоизоляционных материалов, асботекстолитов, прорезиненных набивок, прокладочных колец и манжет. Настоящий стандарт распространяется на ткани, изготовляемые для нужд народного хозяйства и для экспорта. 1. Марки и основные параметры 2. Технические требования 3. Правила приемки 4. Методы испытаний 5. Упаковка, маркировка, транспортирование и хранение 6. Гарантии изготовителя
Связи и замены
Заменяющий:
ГОСТ 6102-94
Взамен:
ГОСТ 6102-67
Изменения и переиздания
Список изменений:
№4 от (рег. ) «Срок действия продлен» №5 от (рег. ) «Срок действия продлен»
Описание стандарта
ГОСТ 6102-78 Ткани асбестовые. Технические условия
Страницы стандарта















