ГОСТ 6942-98 Трубы чугунные канализационные и фасонные части к ним. Технические условия
ГОСТ
Скачать ГОСТ в PDF или DOC бесплатно
Основная информация
Обозначение:
ГОСТ 6942-98
Статус:
Действует
Тип:
ГОСТ
Название русское:
Трубы чугунные канализационные и фасонные части к ним. Технические условия
Название английское:
Cast iron waste pipes and fitings. Specifications
Даты и сроки
Дата регистрации:
11-12-98
Дата издания:
02-11-99
Дата введения в действие:
01-01-99
Дата завершения срока действия:
-
Применение и описание
Область и условия применения:
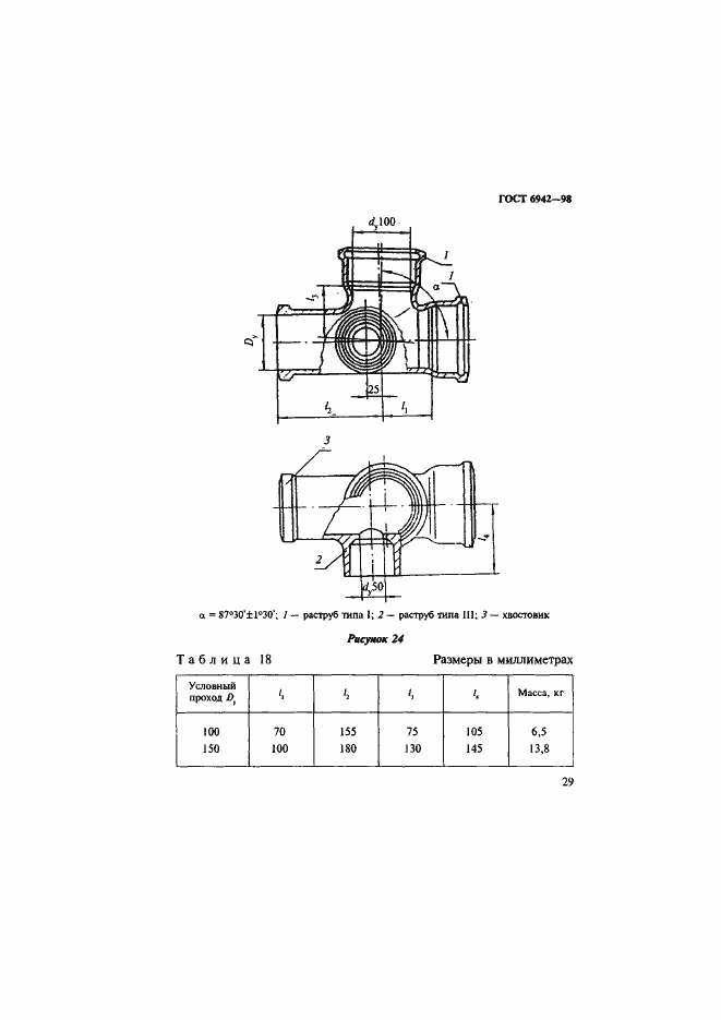
Настоящий стандарт распространяется на чугунные канализационные трубы и фасонные части к ним, предназначенные для систем внутренней канализации зданий
Связи и замены
Заменяющий:
-
Взамен:
ГОСТ 6942.0-80;ГОСТ 6942.1-80;ГОСТ 6942.2-80;ГОСТ 6942.3-80;ГОСТ 6942.4-80;ГОСТ 6942.5-80;ГОСТ 6942.6-80;ГОСТ 6942.7-80;ГОСТ 6942.8-80;ГОСТ 6942.9-80;ГОСТ 6942.10-80;ГОСТ 6942.11-80;ГОСТ 6942.12-80;ГОСТ 6942.13-80;ГОСТ 6942.14-80;ГОСТ 6942.15-80;ГОСТ 6942.16-80;ГОСТ 6942.17-80;ГОСТ 6942.18-80;ГОСТ 6942.19-80;ГОСТ 6942.20-80;ГОСТ 6942.21-80;ГОСТ 6942.22-80;ГОСТ 6942.23-80;ГОСТ 6942.24-80;ГОСТ 4.227-83
Описание стандарта
ГОСТ 6942-98 Трубы чугунные канализационные и фасонные части к ним. Технические условия
Страницы стандарта













































