ГОСТ 8823-85 Лифты электрические грузовые. Основные параметры и размеры
ГОСТ
Скачать ГОСТ в PDF или DOC бесплатно
Основная информация
Обозначение:
ГОСТ 8823-85
Статус:
Утратил силу в РФ
Тип:
ГОСТ
Название русское:
Лифты электрические грузовые. Основные параметры и размеры
Название английское:
Electric goods lifts. Basis parameters and dimensions
Даты и сроки
Дата издания:
11-15-85
Дата введения в действие:
01-01-86
Дата завершения срока действия:
06-01-10
Применение и описание
Область и условия применения:
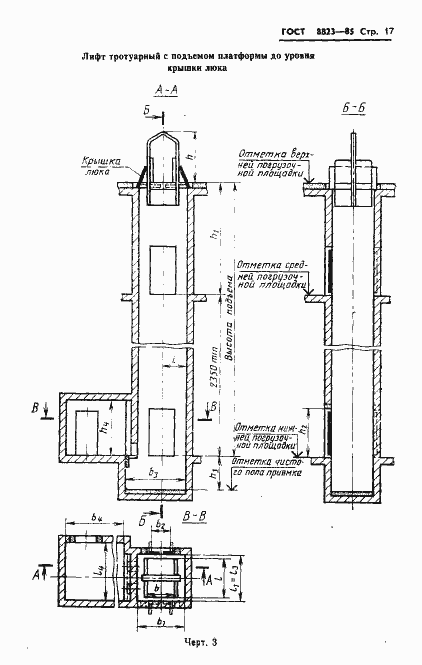
Настоящий стандарт распространяется на электрические грузовые лифты общего назначения: обычные, с монорельсом, выжимные и тротуарные, устанавливаемые в общественных зданиях и зданиях промышленных предприятий
Связи и замены
Заменяющий:
-
Взамен:
ГОСТ 8823-67;ГОСТ 9322-67;ГОСТ 13415-67;ГОСТ 13416-67
Изменения и переиздания
Список изменений:
№0 от (рег. ) «Поправка к изменению»
Описание стандарта
ГОСТ 8823-85 Лифты электрические грузовые. Основные параметры и размеры
Страницы стандарта






















