ГОСТ 9413-78 Щитки осветительные для жилых зданий. Общие технические условия
ГОСТ
Скачать ГОСТ в PDF или DOC бесплатно
Основная информация
Обозначение:
ГОСТ 9413-78
Статус:
Утратил силу в РФ
Тип:
ГОСТ
Название русское:
Щитки осветительные для жилых зданий. Общие технические условия
Название английское:
Lighting panels for dwelling-houses. General specifications
Даты и сроки
Дата издания:
01-01-87
Дата введения в действие:
01-01-79
Дата завершения срока действия:
07-01-01
Применение и описание
Область и условия применения:
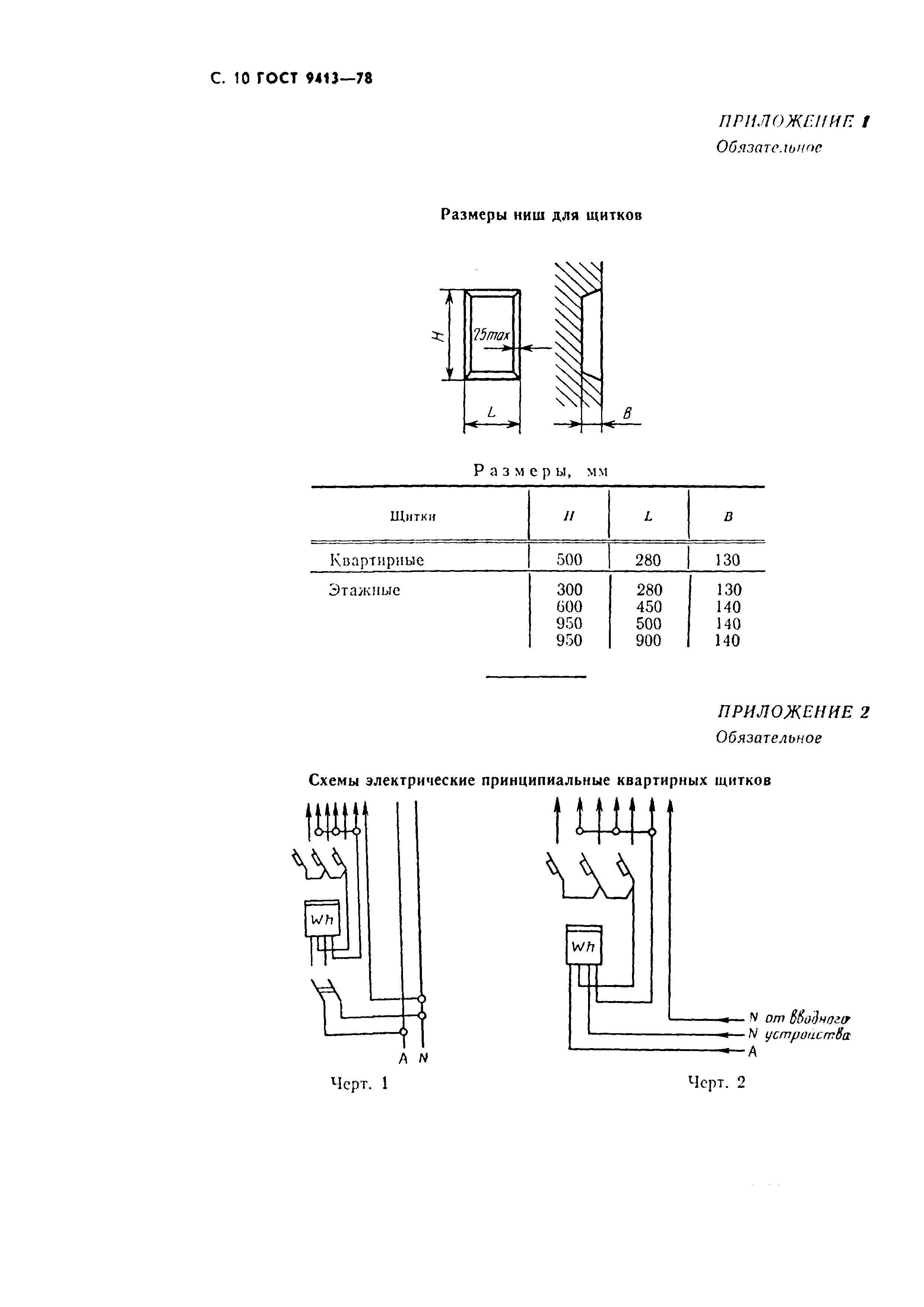
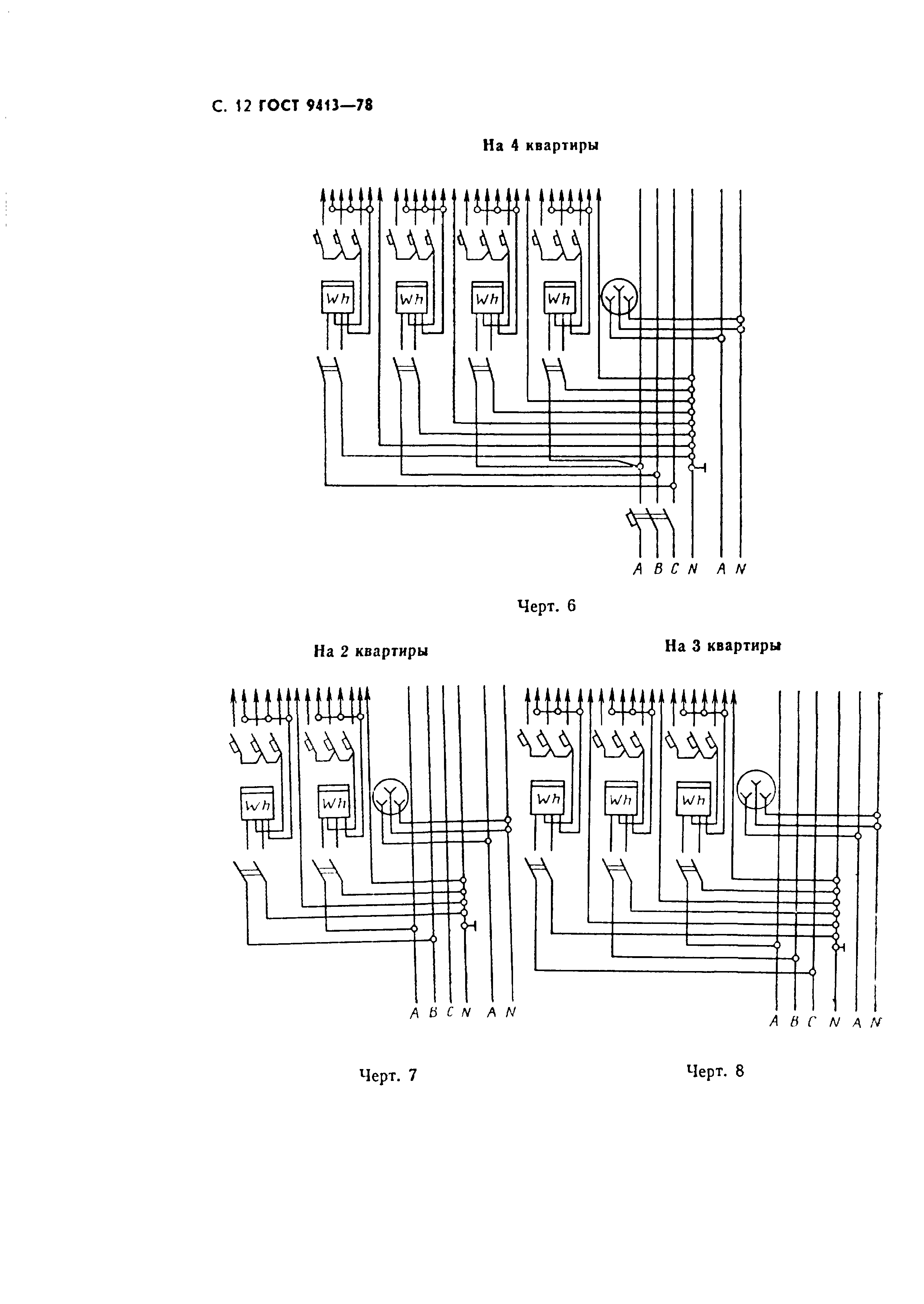
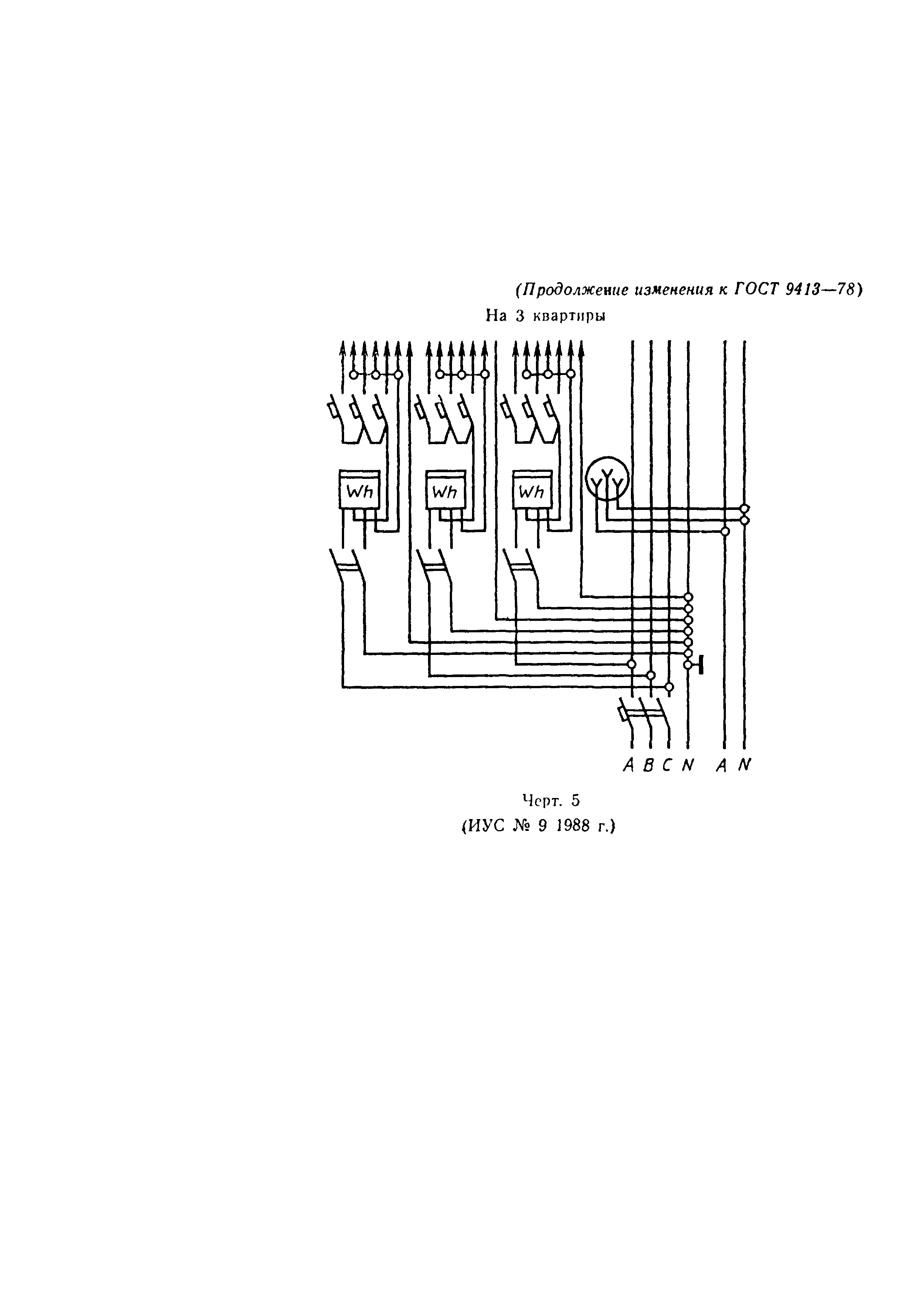
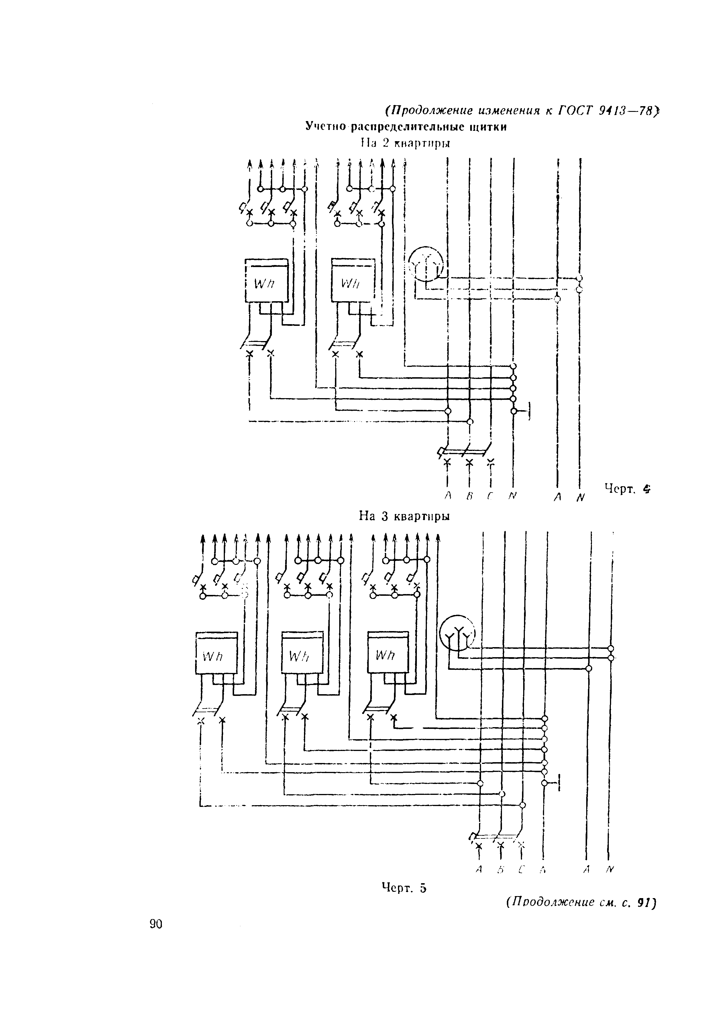
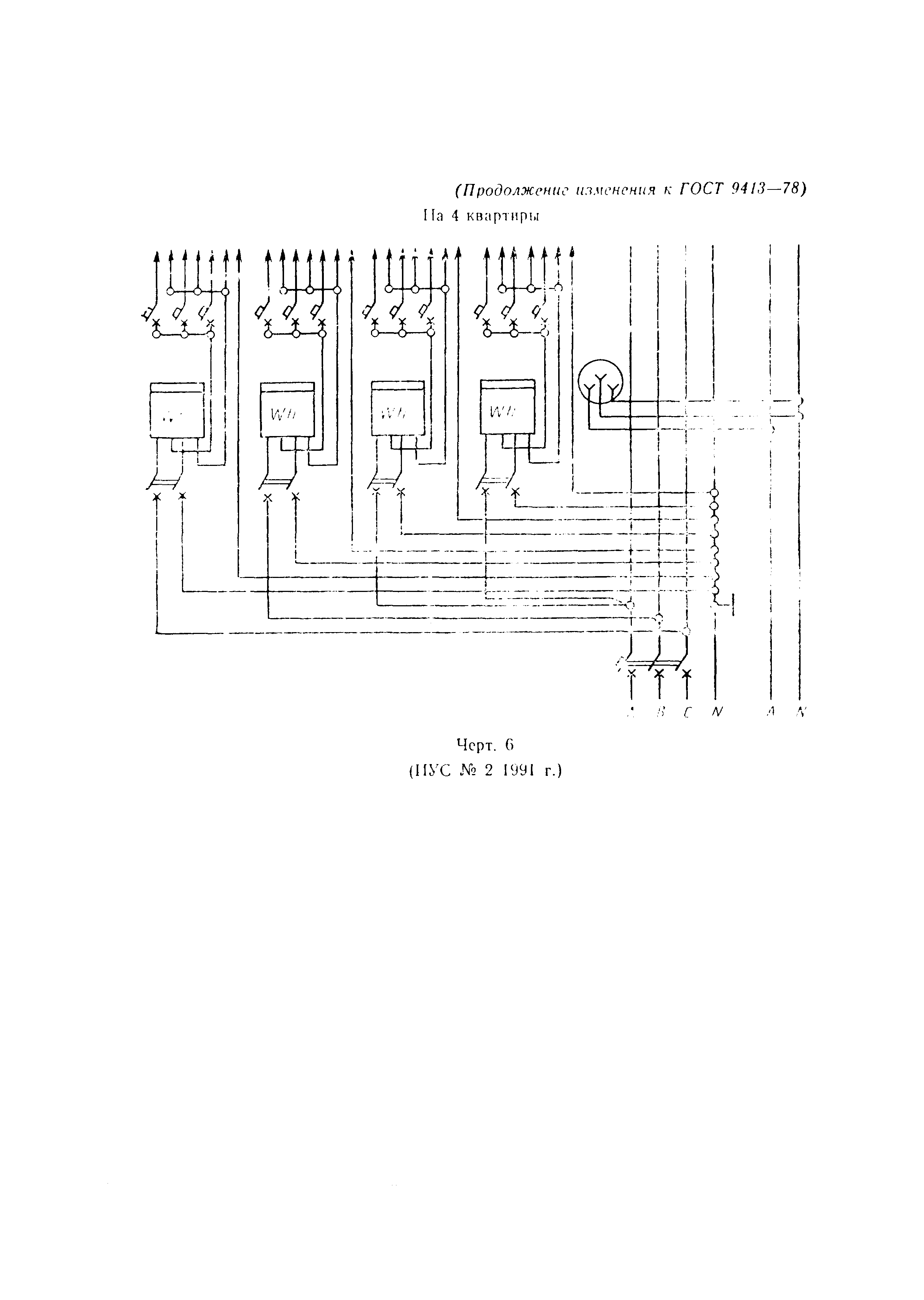
Настоящий стандарт распространяется на осветительные щитки для жилых зданий, предназначенные для распределения и учета электроэнергии напряжением 220 В, а также для защиты линии при перегрузках и коротких замыканиях в сетях с глухозаземленной нейтралью трехфазного переменного напряжения 380/220 В частотой 50 Гц
Связи и замены
Заменяющий:
-
Взамен:
ГОСТ 9413-69
Изменения и переиздания
Список изменений:
№0 от (рег. ) «Поправка к изменению» №1 от (рег. ) «Срок действия продлен» №2 от (рег. ) «Срок действия продлен» №3 от (рег. ) «Срок действия продлен» №4 от (рег. ) «Срок действия продлен»
Описание стандарта
ГОСТ 9413-78 Щитки осветительные для жилых зданий. Общие технические условия
Страницы стандарта
































