ГОСТ 33142-2014 Дороги автомобильные общего пользования. Битумы нефтяные дорожные вязкие. Метод определения температуры размягчения. Метод «Кольцо и Шар»
ГОСТ
Скачать ГОСТ в PDF или DOC бесплатно
Основная информация
Обозначение:
ГОСТ 33142-2014
Статус:
Действует
Тип:
ГОСТ
Название русское:
Дороги автомобильные общего пользования. Битумы нефтяные дорожные вязкие. Метод определения температуры размягчения. Метод «Кольцо и Шар»
Название английское:
Automobile roads of general use. Viscous petroleum road bitumens. Determination of the softening point. Ring and Ball method
Даты и сроки
Дата регистрации:
12-05-14
Дата издания:
09-24-19
Дата введения в действие:
10-01-15
Дата завершения срока действия:
-
Применение и описание
Область и условия применения:
Настоящий стандарт распространяется на битумы нефтяные дорожные вязкие, предназначенные в качестве вяжущего материала при строительстве, реконструкции и ремонте дорожных покрытий и устанавливает метод определения температуры размягчения битумов по кольцу и шару от 30 °С до 80 °С
Связи и замены
Заменяющий:
-
Изменения и переиздания
Список изменений:
№0 от (рег. ) «Дата введения перенесена»
Описание стандарта
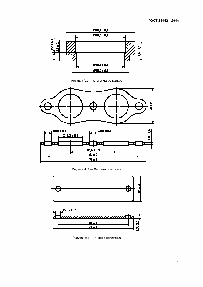
ГОСТ 33142-2014 Дороги автомобильные общего пользования. Битумы нефтяные дорожные вязкие. Метод определения температуры размягчения. Метод «Кольцо и Шар»
Страницы стандарта













Приложение №1: Поправка к ГОСТ 33142-2014 Обозначение: Поправка к ГОСТ 33142-2014 Дата введения в действие: 24.07.2018

Приложение №2: Поправка к ГОСТ 33142-2014 Обозначение: Поправка к ГОСТ 33142-2014 Дата введения в действие: 11.09.2019
