ГОСТ IEC 60730-1-2011 Автоматические электрические управляющие устройства бытового и аналогичного назначения. Часть 1. Общие требования
ГОСТ МЭК
Скачать ГОСТ в PDF или DOC бесплатно
Основная информация
Обозначение:
ГОСТ IEC 60730-1-2011
Статус:
Действует
Тип:
ГОСТ МЭК
Название русское:
Автоматические электрические управляющие устройства бытового и аналогичного назначения. Часть 1. Общие требования
Название английское:
Automatic electrical controls for household and similar use. Part 1. General requirements
Даты и сроки
Дата регистрации:
11-29-11
Дата издания:
09-17-13
Дата введения в действие:
01-01-13
Дата завершения срока действия:
-
Применение и описание
Область и условия применения:
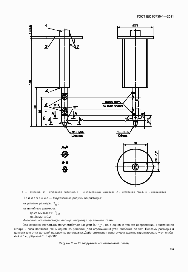
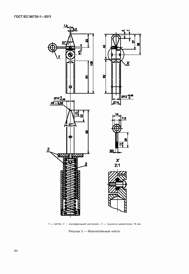
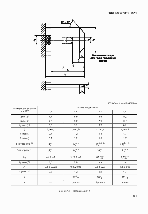
Настоящий стандарт распространяется на автоматические электрические управляющие устройства или устройства, предназначенные для использования в, на или совместно с оборудованием, включая устройства управления нагревом, кондиционированием воздуха и подобного применения. Оборудование может использовать различные виды энергии, например, электрическую, энергию газа, жидкого или твердого топлива, солнечную энергию и их комбинации. Настоящий стандарт устанавливает требования безопасности управляющего устройства; значения срабатывания, время срабатывания и последовательность срабатывания, если эти параметры влияют на безопасность связанного с управляющим устройством оборудования; а также методы испытаний управляющих устройств, которые используются в бытовых и аналогичных электроприборами или совместно с ними. Настоящий стандарт распространяется также на управляющие устройства приборов, входящих в область распространения IEC 60335-1. Настоящий стандарт не распространяется на автоматические электрические управляющие устройства, предназначенные исключительно для промышленных целей
Связи и замены
Заменяющий:
-
Описание стандарта
ГОСТ IEC 60730-1-2011 Автоматические электрические управляющие устройства бытового и аналогичного назначения. Часть 1. Общие требования
Страницы стандарта


























































































































































































































