ГОСТ IEC 60601-2-51-2011 Изделия медицинские электрические. Часть 2-51. Частные требования безопасности с учетом основных функциональных характеристик к регистрирующим и анализирующим одноканальным и многоканальным электрокардиографам
ГОСТ МЭК
Скачать ГОСТ в PDF или DOC бесплатно
Основная информация
Обозначение:
ГОСТ IEC 60601-2-51-2011
Статус:
Действует
Тип:
ГОСТ МЭК
Название русское:
Изделия медицинские электрические. Часть 2-51. Частные требования безопасности с учетом основных функциональных характеристик к регистрирующим и анализирующим одноканальным и многоканальным электрокардиографам
Название английское:
Medical electrical equipment. Part 2-51. Particular requirements for safety, including essential performance, of recording and analysing single channel and multichannel electrocardiographs
Даты и сроки
Дата регистрации:
11-29-11
Дата издания:
07-04-13
Дата введения в действие:
01-01-13
Дата завершения срока действия:
-
Применение и описание
Область и условия применения:
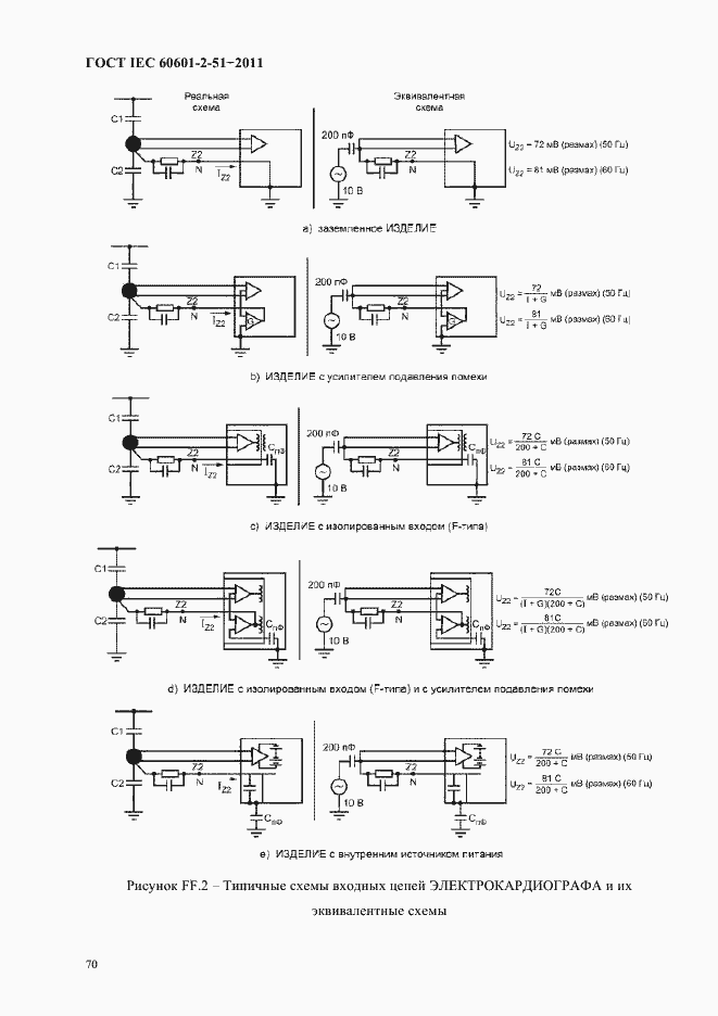
Настоящий стандарт определяет требования безопасности с учетом основных функциональных характеристик к регистрирующим и анализирующим одноканальным и многоканальным электрокардиографам, определенным в 2.101, 2.111, 2.117, 2.123 и 2.126, как требующих так и не требующих обслуживающего персонала
Связи и замены
Заменяющий:
-
Описание стандарта
ГОСТ IEC 60601-2-51-2011 Изделия медицинские электрические. Часть 2-51. Частные требования безопасности с учетом основных функциональных характеристик к регистрирующим и анализирующим одноканальным и многоканальным электрокардиографам
Страницы стандарта







































































































