ГОСТ Р 56426-2015 Оборудование надувное игровое. Общие технические требования
ГОСТ Р
Скачать ГОСТ в PDF или DOC бесплатно
Основная информация
Обозначение:
ГОСТ Р 56426-2015
Статус:
Действует
Тип:
ГОСТ Р
Название русское:
Оборудование надувное игровое. Общие технические требования
Название английское:
Inflatable play equipment. General technical requirements
Даты и сроки
Дата издания:
11-05-19
Дата введения в действие:
09-01-15
Дата завершения срока действия:
-
Применение и описание
Область и условия применения:
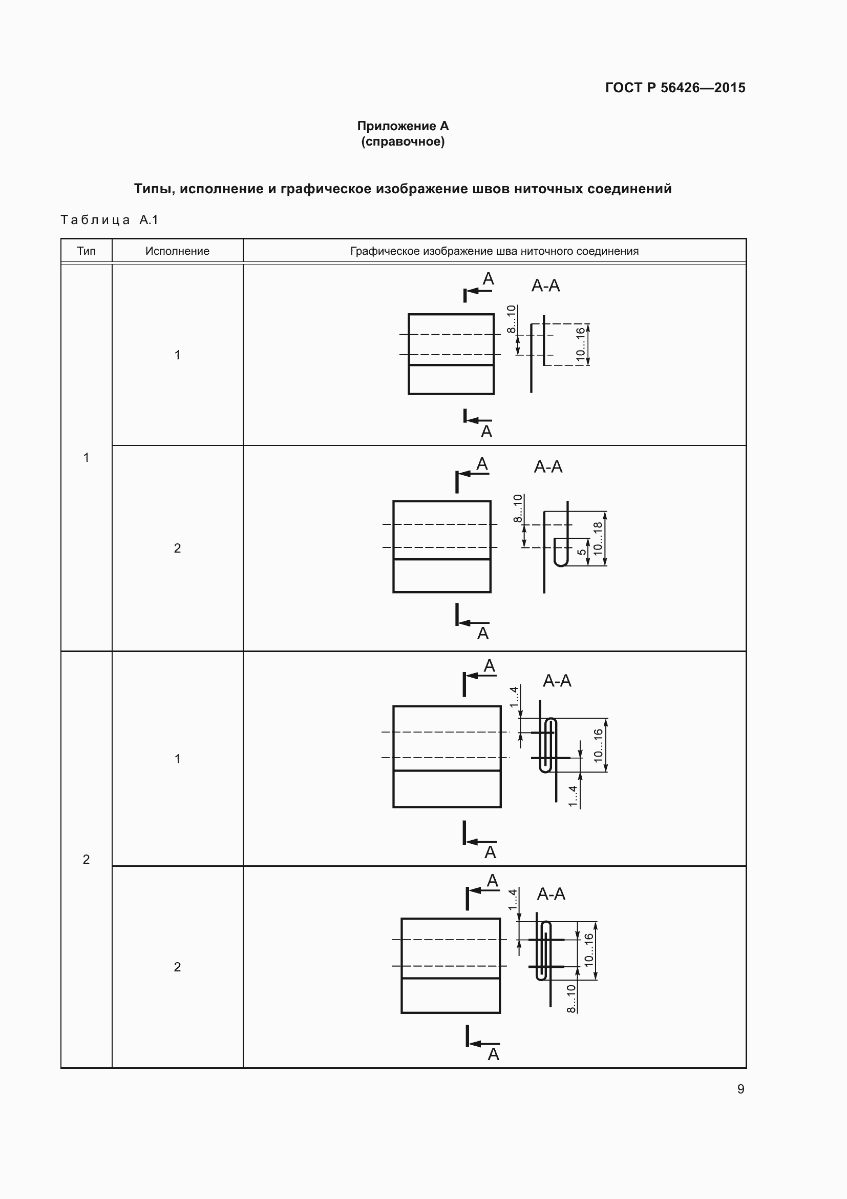
Настоящий стандарт распространяется на оборудование надувное игровое, предназначенное для развлечений. Стандарт устанавливает требования к материалам, конструкции, упаковке и маркировке оборудования
Связи и замены
Заменяющий:
-
Описание стандарта
ГОСТ Р 56426-2015 Оборудование надувное игровое. Общие технические требования
Страницы стандарта























