ГОСТ Р 58921-2020 Система стандартов безопасности спортивного инвентаря. Спортивный инвентарь для защиты от падения с высоты. Веревки динамические. Общие технические требования. Методы испытаний
ГОСТ Р
Скачать ГОСТ в PDF или DOC бесплатно
Основная информация
Обозначение:
ГОСТ Р 58921-2020
Статус:
Действует
Тип:
ГОСТ Р
Название русское:
Система стандартов безопасности спортивного инвентаря. Спортивный инвентарь для защиты от падения с высоты. Веревки динамические. Общие технические требования. Методы испытаний
Название английское:
The system of sports equipment safety standards. Sports equipment for protection against falling from height. Dynamic ropes. General technical requirements. Test methods
Даты и сроки
Дата издания:
07-28-20
Дата введения в действие:
04-01-21
Дата завершения срока действия:
-
Применение и описание
Область и условия применения:
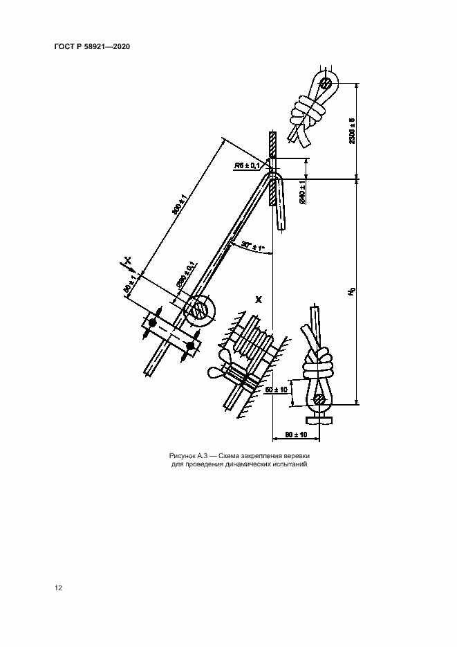
Настоящий стандарт распространяется на динамические веревки, используемые при занятиях спортом и активной спортивной деятельностью, необходимые для обеспечения безопасности пользователя при возможном падении с высоты (например, в альпинизме, скалолазании, туризме, спелеологии, веревочных парках). Настоящий стандарт устанавливает требования к характеристикам, методам испытаний, маркировке и эксплуатационной документации
Связи и замены
Заменяющий:
-
Описание стандарта
ГОСТ Р 58921-2020 Система стандартов безопасности спортивного инвентаря. Спортивный инвентарь для защиты от падения с высоты. Веревки динамические. Общие технические требования. Методы испытаний
Страницы стандарта






















