ГОСТ 12.4.322-2024 Система стандартов безопасности труда. Средства индивидуальной защиты органов дыхания. Самоспасатель фильтрующий для защиты от монооксида углерода с загубником. Общие технические условия
ГОСТ
Скачать ГОСТ в PDF или DOC бесплатно
Основная информация
Обозначение:
ГОСТ 12.4.322-2024
Статус:
Действует
Тип:
ГОСТ
Название русское:
Система стандартов безопасности труда. Средства индивидуальной защиты органов дыхания. Самоспасатель фильтрующий для защиты от монооксида углерода с загубником. Общие технические условия
Название английское:
Occupational safety standarts system. Filtering respiratory protective device. Self-rescuer filtering for protection against carbon monoxide with a mouthpiece assembly. General specifications
Даты и сроки
Дата регистрации:
04-30-24
Дата издания:
06-07-24
Дата введения в действие:
06-01-25
Дата завершения срока действия:
-
Применение и описание
Область и условия применения:
Настоящий стандарт распространяется на фильт-рующие самоспасатели (далее - самоспасатели), предназначенные для защиты от монооксида углерода, и уста-навливает требования к противогазовому фильтру, при-меняемому в фильтрующих самоспасателях. В настоящий стандарт включены методы лабораторных и практи-ческих испытаний эксплуатационных свойств для оценки соответствия требованиям настоящего стандарта. Стандарт не распространяется на следующие типы СИЗОД: - пожарные; - военные; - медицинские; - авиационные; - дыхательные аппараты для аварийно-спасательных подземных работ; - для подводных работ
Связи и замены
Заменяющий:
-
Описание стандарта
ГОСТ 12.4.322-2024 Система стандартов безопасности труда. Средства индивидуальной защиты органов дыхания. Самоспасатель фильтрующий для защиты от монооксида углерода с загубником. Общие технические условия
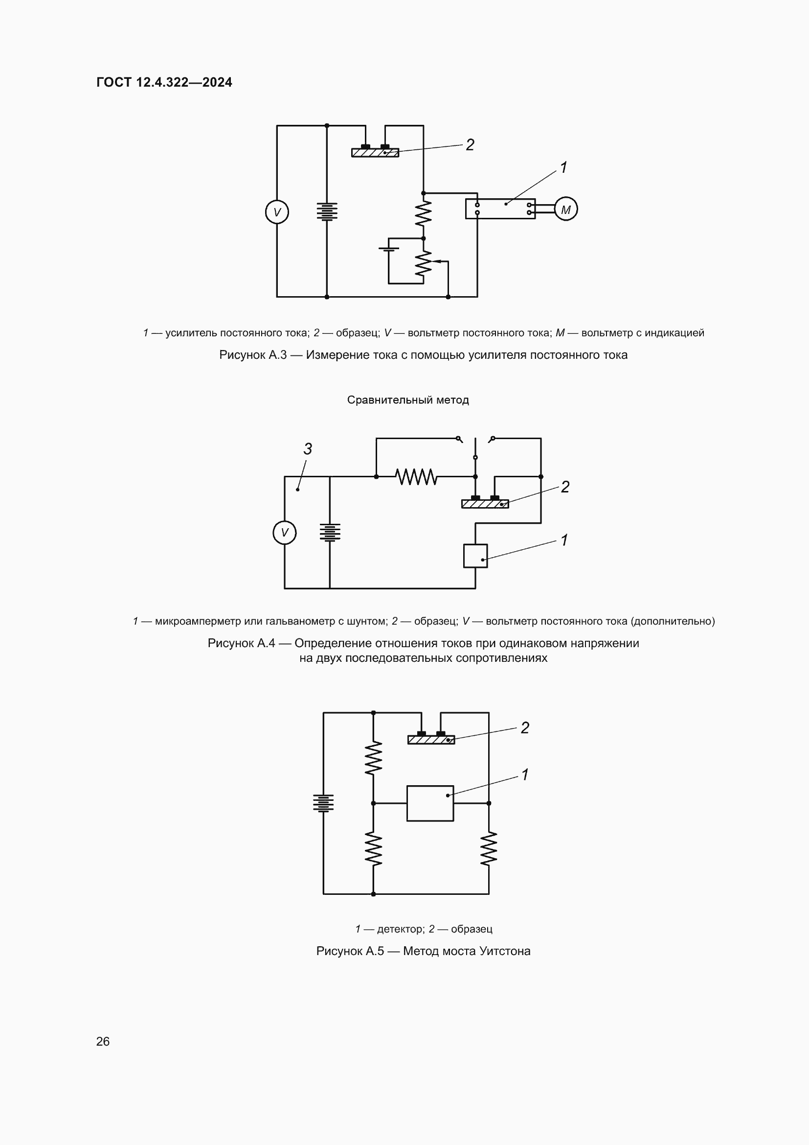
Страницы стандарта





































Приложение №1: Поправка к ГОСТ 12.4.322-2024 Обозначение: Поправка к ГОСТ 12.4.322-2024 Дата введения в действие: 10.10.2024
