ГОСТ 12692-67 Измерители частоты резонансные. Методы и средства поверки
ГОСТ
Скачать ГОСТ в PDF или DOC бесплатно
Основная информация
Обозначение:
ГОСТ 12692-67
Статус:
Действует
Тип:
ГОСТ
Название русское:
Измерители частоты резонансные. Методы и средства поверки
Название английское:
Resonense frequency meters. Methods and means for verification
Даты и сроки
Дата издания:
12-01-79
Дата введения в действие:
01-01-68
Дата завершения срока действия:
-
Применение и описание
Область и условия применения:
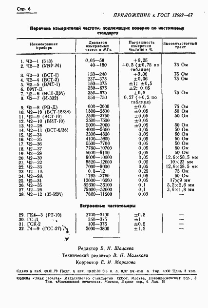
Настоящий стандарт распространяется на вновь изготовляемые, выпускаемые из ремонта и находящиеся в эксплуатации измерители частоты и резонансные, оформленные в виде самостоятельных приборов или встроенные в другие приборы, и устанавливает методы и средства их поверки
Связи и замены
Заменяющий:
-
Взамен:
Инструкция 212-63;Инструкция 214-63
Описание стандарта
ГОСТ 12692-67 Измерители частоты резонансные. Методы и средства поверки
Страницы стандарта






