ГОСТ 15060-95 Дизели автотракторные. Насосы топливные высокого давления. Габаритные и присоединительные размеры
ГОСТ
Скачать ГОСТ в PDF или DOC бесплатно
Основная информация
Обозначение:
ГОСТ 15060-95
Статус:
Действует
Тип:
ГОСТ
Название русское:
Дизели автотракторные. Насосы топливные высокого давления. Габаритные и присоединительные размеры
Название английское:
Motor and tractor diesels. Fuel pumps for high pressure. External and mounting dimensions
Даты и сроки
Дата регистрации:
10-12-95
Дата издания:
12-23-96
Дата введения в действие:
01-01-97
Дата завершения срока действия:
-
Применение и описание
Область и условия применения:
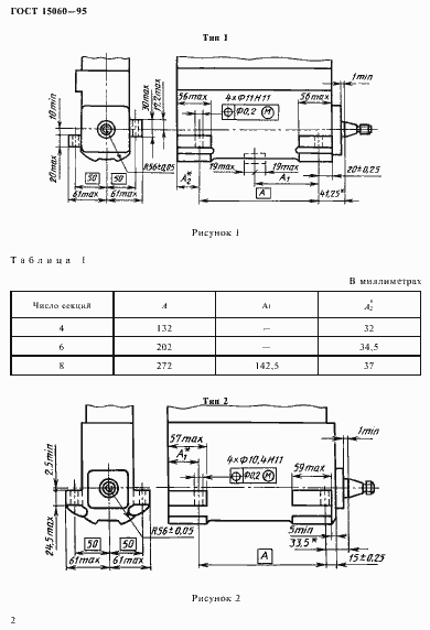
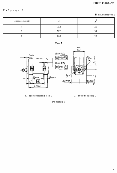
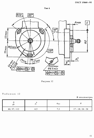
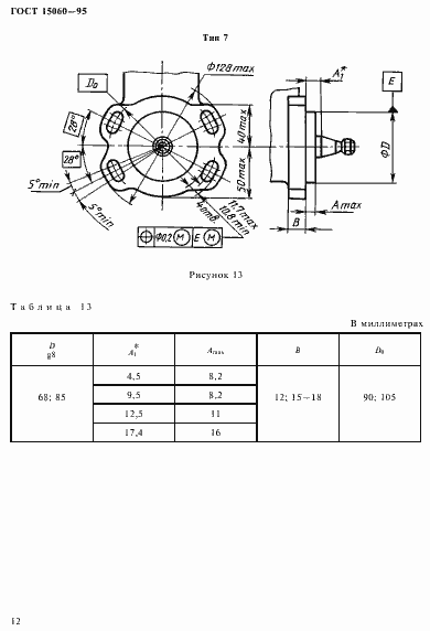
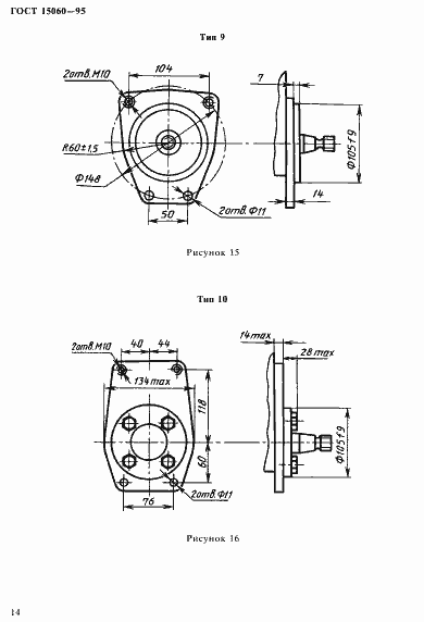
Настоящий стандарт устанавливает присоединительные размеры топливных насосов высокого давления с креплением за приливы корпуса, устанавливаемых на основание, и фланцевым креплением
Связи и замены
Заменяющий:
-
Взамен:
ГОСТ 15060-77
Описание стандарта
ГОСТ 15060-95 Дизели автотракторные. Насосы топливные высокого давления. Габаритные и присоединительные размеры
Страницы стандарта






















