ГОСТ 1639-78 Лом и отходы цветных металлов и сплавов. Общие технические условия
ГОСТ
Скачать ГОСТ в PDF или DOC бесплатно
Основная информация
Обозначение:
ГОСТ 1639-78
Статус:
Заменен
Тип:
ГОСТ
Название русское:
Лом и отходы цветных металлов и сплавов. Общие технические условия
Название английское:
Non-ferrous metals and alloys scrap and waste. General specifications
Даты и сроки
Дата издания:
02-01-87
Дата введения в действие:
01-01-80
Дата завершения срока действия:
01-01-00
Применение и описание
Область и условия применения:
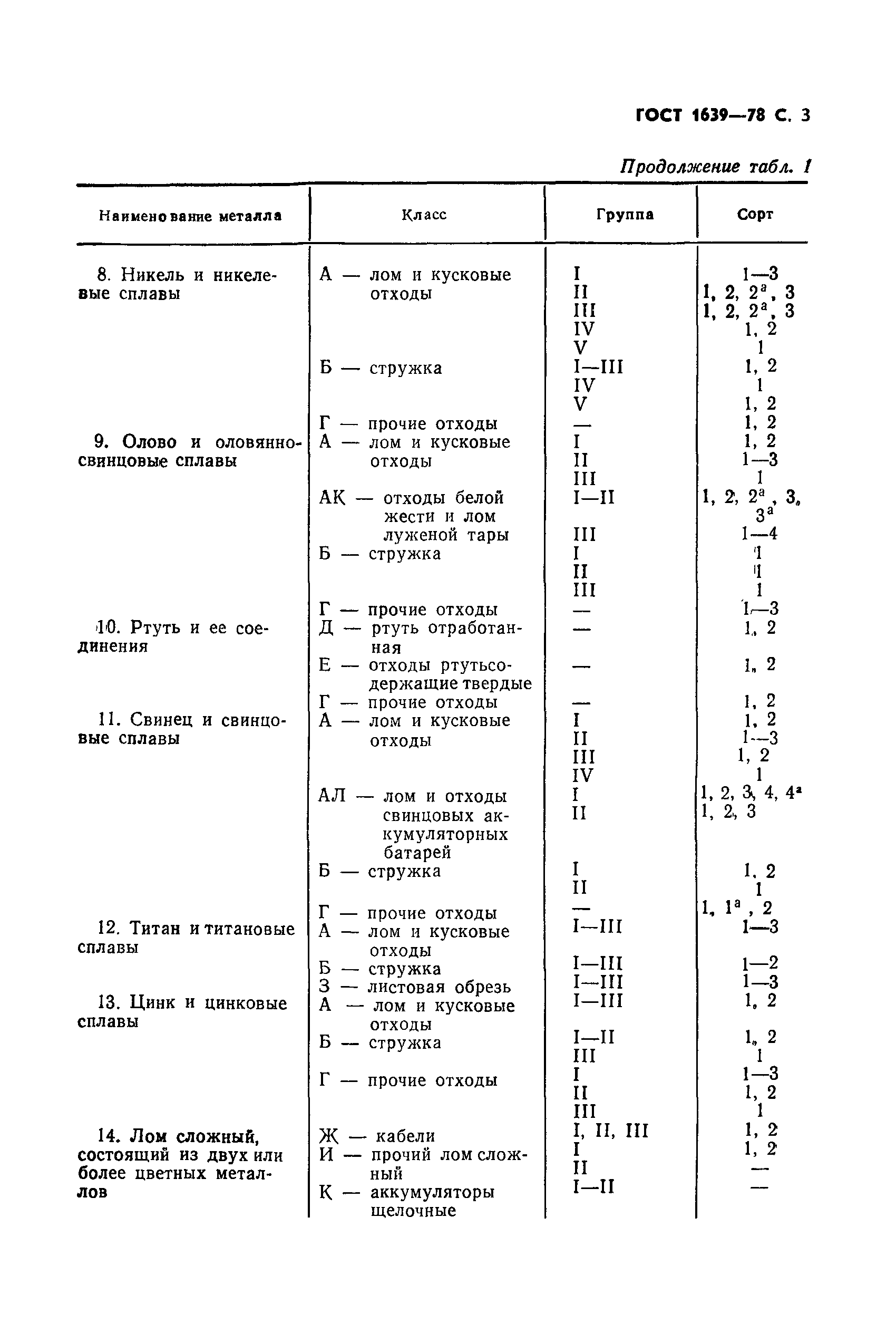
Настоящий стандарт распространяется на лом и отходы цветных металлов и сплавов, предназначенные для производства цветных металлов и их сплавов и других видов продукции
Связи и замены
Заменяющий:
ГОСТ 1639-93
Взамен:
ГОСТ 1639-71;ГОСТ 13222-67
Изменения и переиздания
Список изменений:
№1 от (рег. ) «Срок действия продлен» №2 от (рег. ) «Срок действия продлен» №3 от (рег. ) «Срок действия продлен» №4 от (рег. ) «Срок действия продлен» №5 от (рег. ) «Срок действия продлен» №6 от (рег. ) «Срок действия продлен» №7 от (рег. ) «Срок действия продлен»
Описание стандарта
ГОСТ 1639-78 Лом и отходы цветных металлов и сплавов. Общие технические условия
Страницы стандарта
























































































