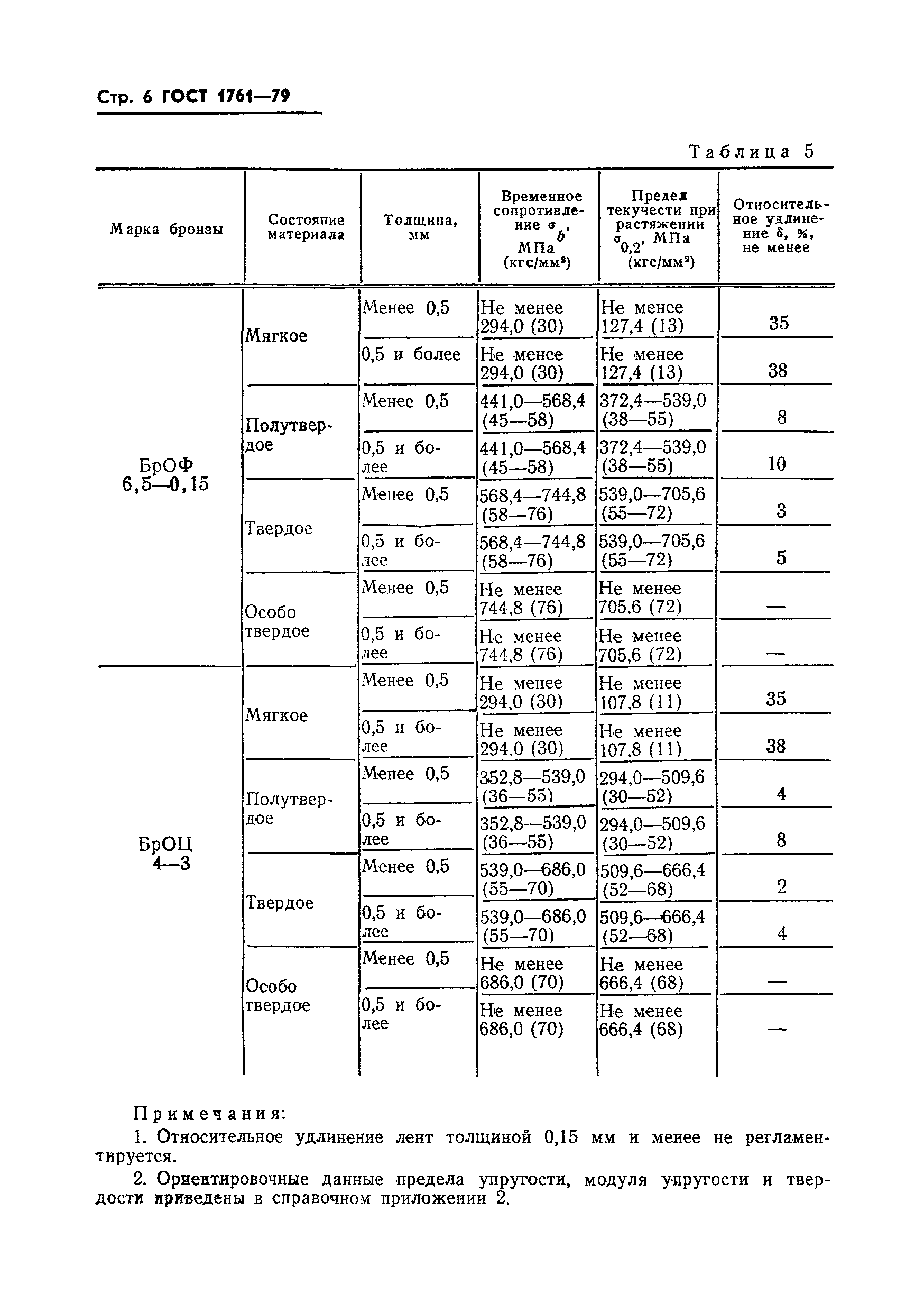
ГОСТ 1761-79 Полосы и ленты из оловянно-фосфористой и оловянно-цинковой бронзы. Технические условия
ГОСТ
Основная информация
Обозначение:
ГОСТ 1761-79
Статус:
утратил силу в РФ
Тип:
ГОСТ
Название русское:
Полосы и ленты из оловянно-фосфористой и оловянно-цинковой бронзы. Технические условия
Даты и сроки
Дата введения в действие:
01-01-80
Описание стандарта
ГОСТ 1761-79 Полосы и ленты из оловянно-фосфористой и оловянно-цинковой бронзы. Технические условия
Страницы стандарта














