ГОСТы >
01.080.40 Графические обозначения для технических чертежей, диаграмм, схем и соответствующей технической документации в области электротехники и электроники >
ГОСТ 2.751-73
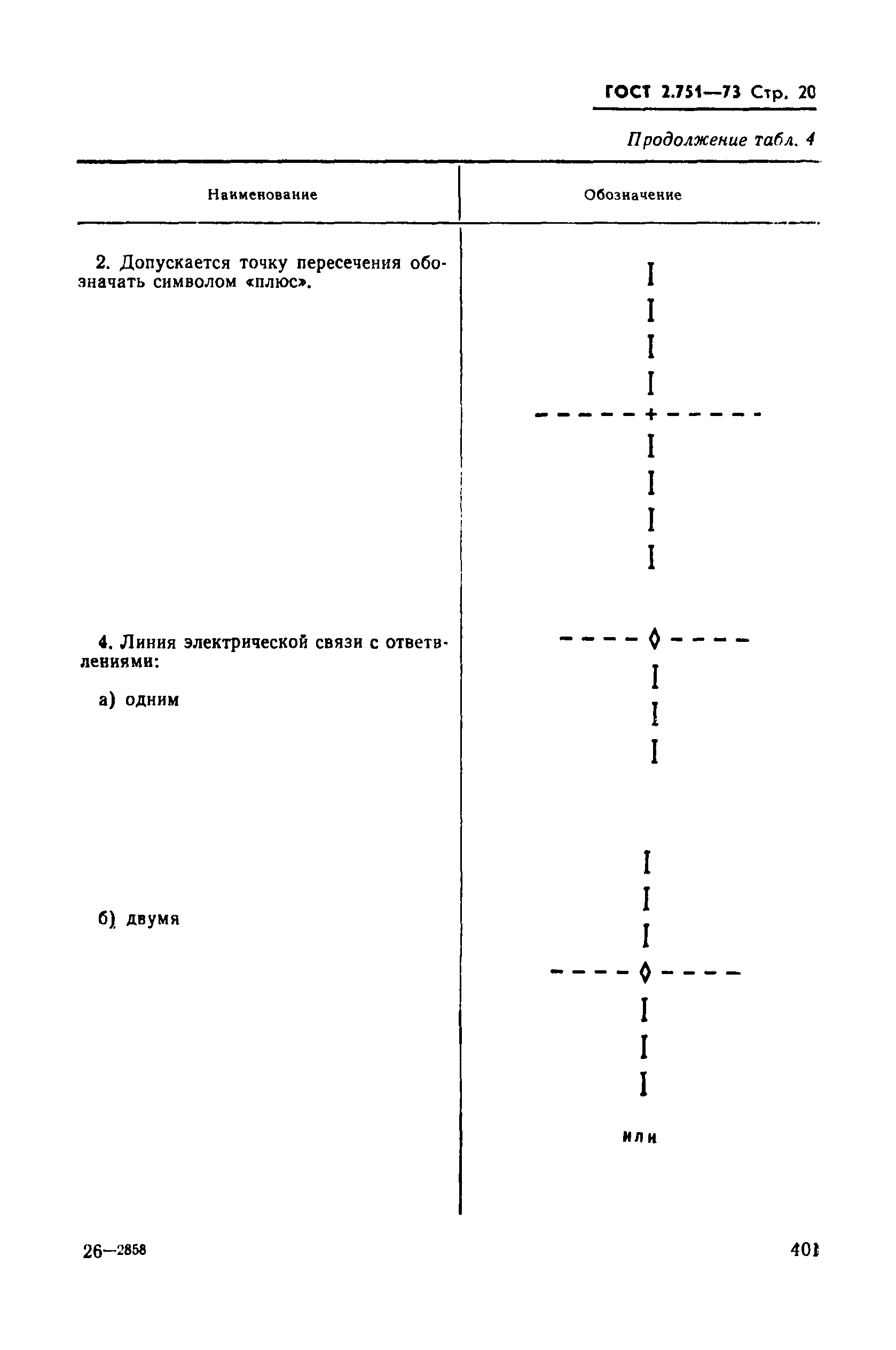
ГОСТ 2.751-73 Единая система конструкторской документации. Обозначения условные графические в схемах. Электрические связи, провода, кабели и шины
ГОСТ
Скачать ГОСТ в PDF или DOC бесплатно
Основная информация
Обозначение:
ГОСТ 2.751-73
Статус:
утратил силу в РФ
Тип:
ГОСТ
Название русское:
Единая система конструкторской документации. Обозначения условные графические в схемах. Электрические связи, провода, кабели и шины
Даты и сроки
Дата введения в действие:
07-01-72
Дата завершения срока действия:
01-01-88
Связи и замены
Заменяющий:
ГОСТ 2.751-73
Описание стандарта
ГОСТ 2.751-73 Единая система конструкторской документации. Обозначения условные графические в схемах. Электрические связи, провода, кабели и шины
Страницы стандарта























