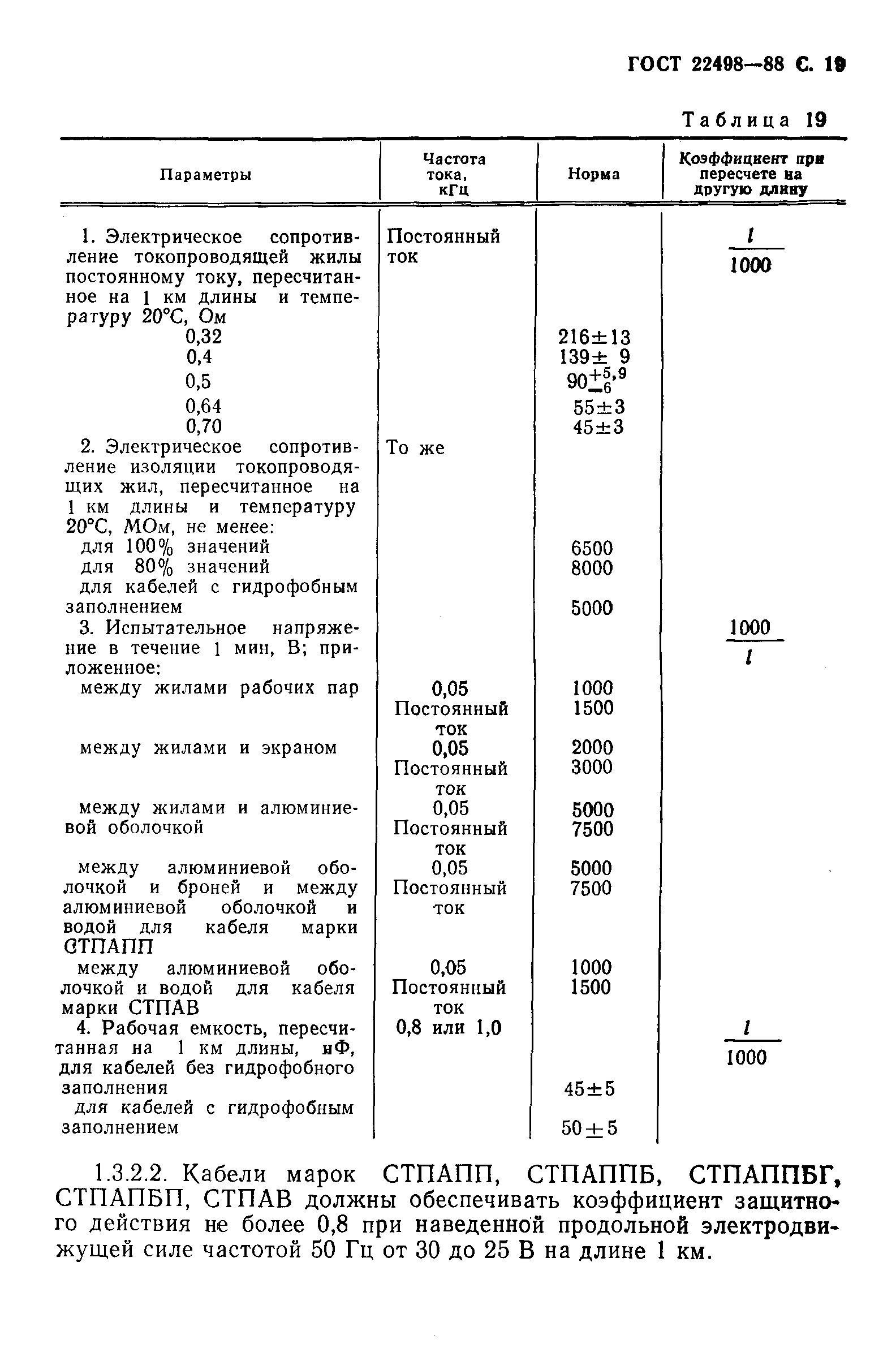
ГОСТ 22498-88 Кабели городские телефонные с полиэтиленовой изоляцией в пластмассовой оболочке. Технические условия
ГОСТ
Скачать ГОСТ в PDF или DOC бесплатно
Основная информация
Обозначение:
ГОСТ 22498-88
Статус:
Утратил силу в РФ
Тип:
ГОСТ
Название русское:
Кабели городские телефонные с полиэтиленовой изоляцией в пластмассовой оболочке. Технические условия
Название английское:
Local telephone cables with polyethylene insulation and plastic sheath. Technical requirements
Даты и сроки
Дата издания:
11-02-88
Дата введения в действие:
01-01-89
Дата завершения срока действия:
07-01-00
Связи и замены
Заменяющий:
-
Взамен:
ГОСТ 22498-77
Изменения и переиздания
Список изменений:
№0 от (рег. ) «Поправка к изменению» №1 от (рег. ) «Срок действия продлен»
Описание стандарта
ГОСТ 22498-88 Кабели городские телефонные с полиэтиленовой изоляцией в пластмассовой оболочке. Технические условия
Страницы стандарта















































