ГОСТ 23981-80 Наконечники кабельные. Общие технические условия
ГОСТ
Скачать ГОСТ в PDF или DOC бесплатно
Основная информация
Обозначение:
ГОСТ 23981-80
Статус:
Действует
Тип:
ГОСТ
Название русское:
Наконечники кабельные. Общие технические условия
Название английское:
Cable terminals. General specifications
Даты и сроки
Дата издания:
03-01-83
Дата введения в действие:
01-01-83
Дата завершения срока действия:
-
Применение и описание
Область и условия применения:
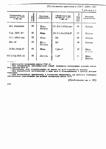
Настоящий стандарт распространяется на кабельные наконечники, закрепляемые на проводах и кабелях с медными жилами сечением от 0,35 до 300 мм кв. и алюминиевыми жилами сечением от 1 до 2000 мм кв. Стандарт не распространяется на наконечники для автотракторного, мотоциклетного и велосипедного электрооборудования, наконечники для щеток электрических машин и наконечники с содержанием алюминия, предназначенные для судостроительной промышленности
Связи и замены
Заменяющий:
-
Изменения и переиздания
Список изменений:
№1 от (рег. ) «Срок действия продлен» №2 от (рег. ) «Срок действия продлен» №3 от (рег. ) «Срок действия продлен»
Описание стандарта
ГОСТ 23981-80 Наконечники кабельные. Общие технические условия
Страницы стандарта





















