ГОСТ 24452-2023 Бетоны. Методы определения призменной прочности, модуля упругости и коэффициента Пуассона
ГОСТ
Скачать ГОСТ в PDF или DOC бесплатно
Основная информация
Обозначение:
ГОСТ 24452-2023
Статус:
Действует
Тип:
ГОСТ
Название русское:
Бетоны. Методы определения призменной прочности, модуля упругости и коэффициента Пуассона
Название английское:
Concrete. Methods of prismatic compressive strength, modulus of elasticity and Poisson`s ratio determination
Даты и сроки
Дата регистрации:
11-17-23
Дата издания:
01-12-24
Дата введения в действие:
01-01-24
Дата завершения срока действия:
-
Применение и описание
Область и условия применения:
Настоящий стандарт устанавливает методы определения призменной прочности, модуля упругости и коэффициента Пуассона и распространяется на все виды бетонов в строительстве, в том числе на жаростойкие бетоны, а также бетоны, подвергающиеся в процессе эксплуатации насыщению водой, нефтепродуктами и другими жидкостями
Связи и замены
Заменяющий:
-
Взамен:
ГОСТ 24452-80
Описание стандарта
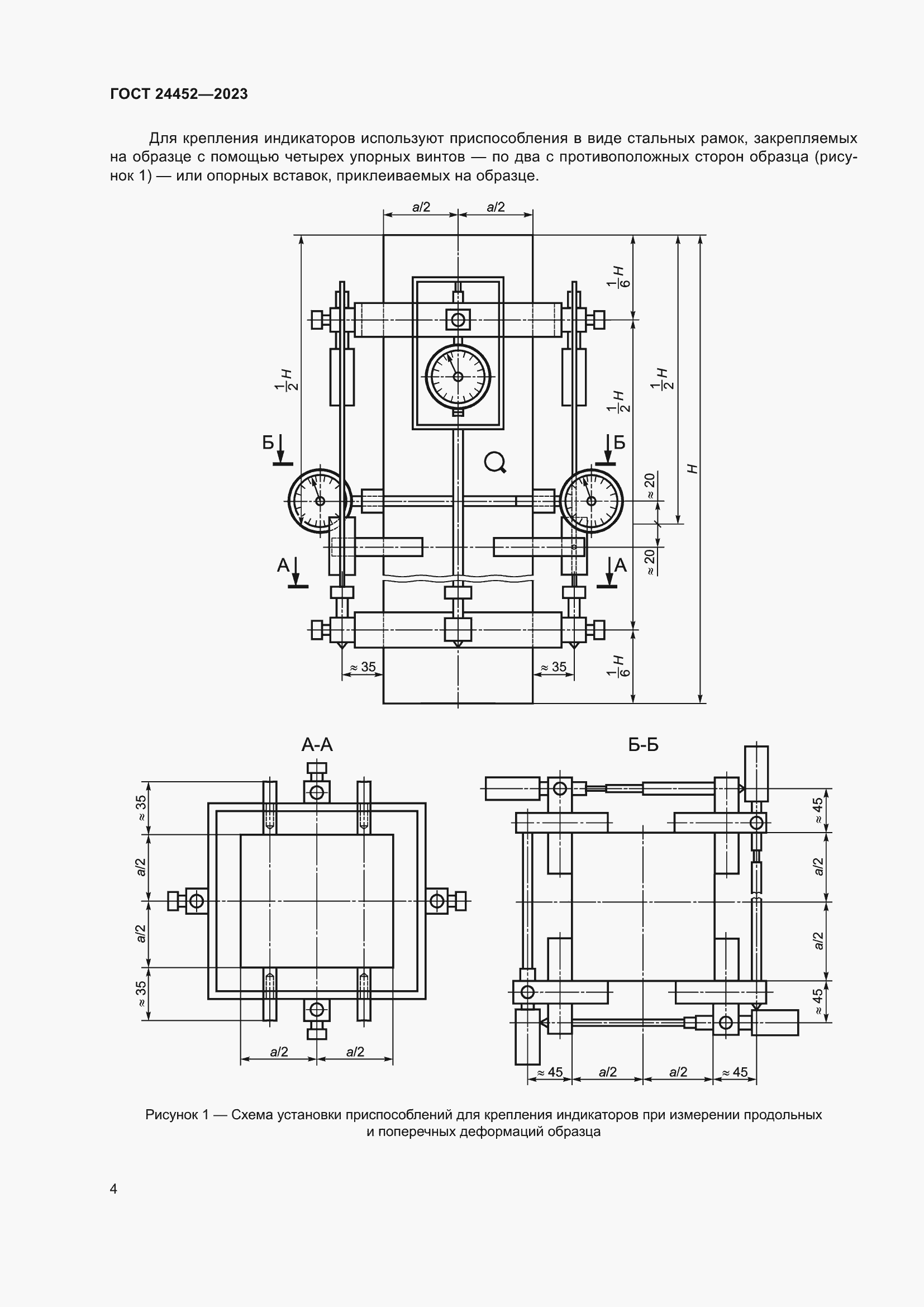
ГОСТ 24452-2023 Бетоны. Методы определения призменной прочности, модуля упругости и коэффициента Пуассона
Страницы стандарта















