ГОСТ 24566-86 Соединители плоские втычные. Основные размеры, технические требования и методы испытаний
ГОСТ
Скачать ГОСТ в PDF или DOC бесплатно
Основная информация
Обозначение:
ГОСТ 24566-86
Статус:
Действует
Тип:
ГОСТ
Название русское:
Соединители плоские втычные. Основные размеры, технические требования и методы испытаний
Название английское:
Flat plug-in connectors. Basic dimensions, technical requirements and test methods
Даты и сроки
Дата издания:
01-28-87
Дата введения в действие:
01-01-88
Дата завершения срока действия:
-
Применение и описание
Область и условия применения:
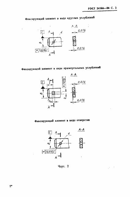
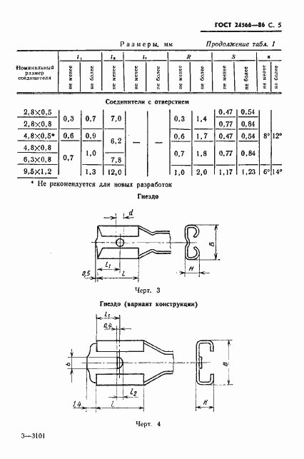
Настоящий стандарт распространяется на плоские втычные соединители, состоящие из розеток и вилок с плоскими гнездовыми и штыревыми контактами, и устанавливает основные размеры вставок и гнезд, а также технические требования и методы испытаний соединителей. Стандарт не распространяется на соединители для электрооборудования дорожных транспортных средств и сельскохозяйственных самоходных машин
Связи и замены
Заменяющий:
-
Взамен:
ГОСТ 23557-79;ГОСТ 24566-81
Описание стандарта
ГОСТ 24566-86 Соединители плоские втычные. Основные размеры, технические требования и методы испытаний
Страницы стандарта



























