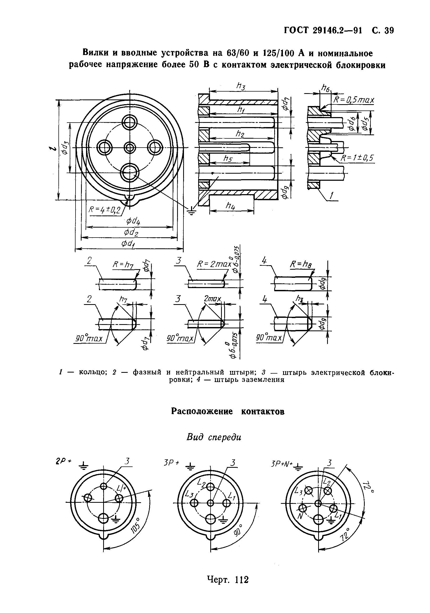
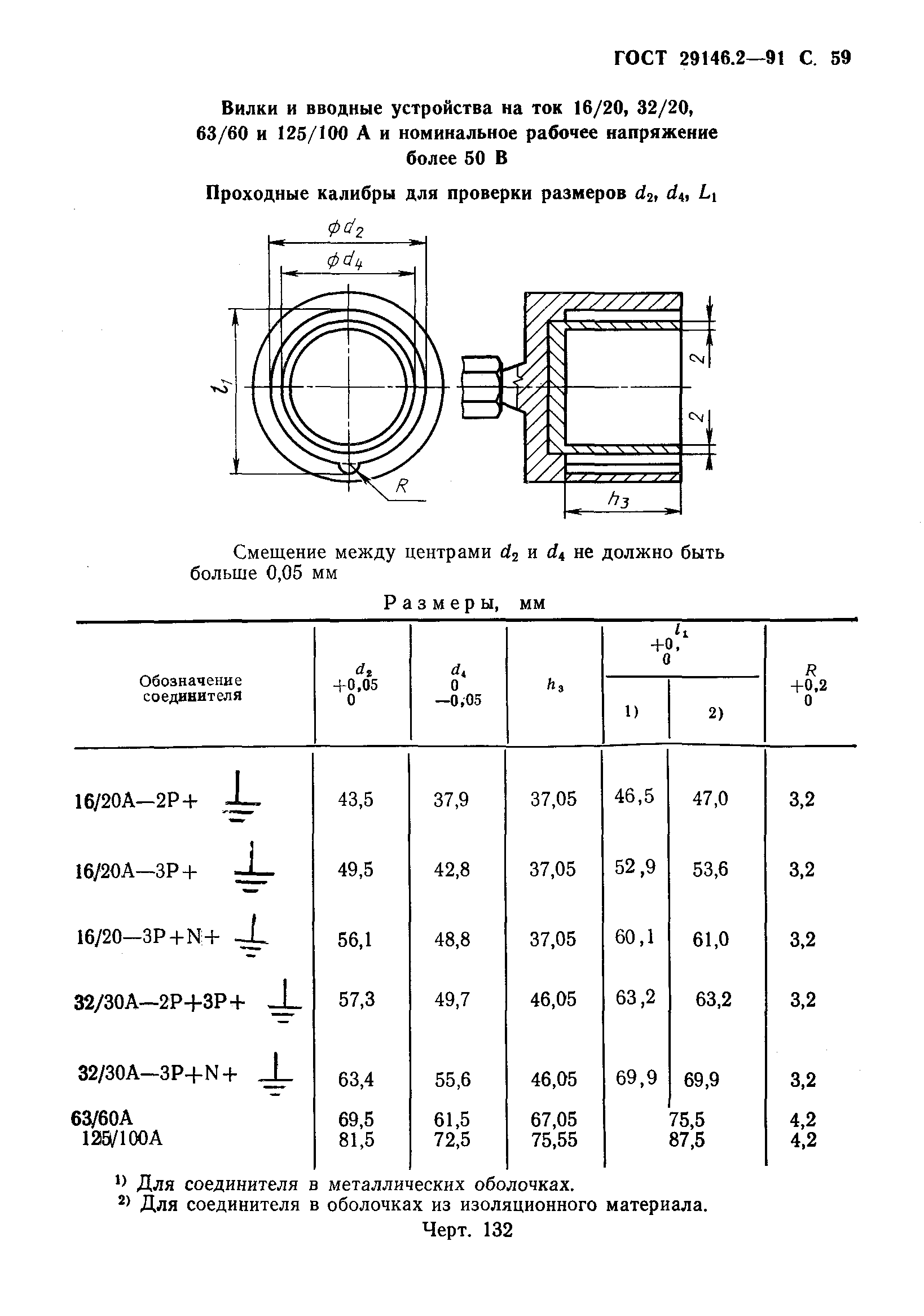
ГОСТ 29146.2-91 Соединители электрические промышленного назначения. Часть 2. Требования к взаимозаменяемости размеров штырей и контактных гнезд аппаратов
ГОСТ
Скачать ГОСТ в PDF или DOC бесплатно
Основная информация
Обозначение:
ГОСТ 29146.2-91
Статус:
Утратил силу в РФ
Тип:
ГОСТ
Название русское:
Соединители электрические промышленного назначения. Часть 2. Требования к взаимозаменяемости размеров штырей и контактных гнезд аппаратов
Название английское:
Plugs, socket-outlets and couplers for industrial purposes. Part 2. Dimensional interchangeability requirements for pin and contact-tube accessories
Даты и сроки
Дата издания:
03-31-92
Дата введения в действие:
01-01-93
Дата завершения срока действия:
01-01-01
Связи и замены
Заменяющий:
-
Изменения и переиздания
Список изменений:
№0 от (рег. ) «Поправка к изменению»
Описание стандарта
ГОСТ 29146.2-91 Соединители электрические промышленного назначения. Часть 2. Требования к взаимозаменяемости размеров штырей и контактных гнезд аппаратов
Страницы стандарта




































































