ГОСТ 3044-84 Преобразователи термоэлектрические. Номинальные статические характеристики преобразования
ГОСТ
Основная информация
Обозначение:
ГОСТ 3044-84
Статус:
Утратил силу в РФ
Тип:
ГОСТ
Название русское:
Преобразователи термоэлектрические. Номинальные статические характеристики преобразования
Название английское:
Thermoelectric converters. Nominal static graduation tables
Даты и сроки
Дата издания:
07-01-89
Дата введения в действие:
01-01-86
Дата завершения срока действия:
01-01-94
Применение и описание
Область и условия применения:
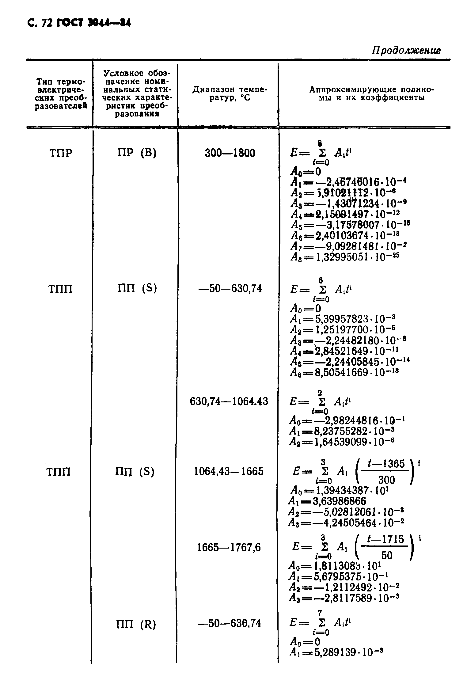
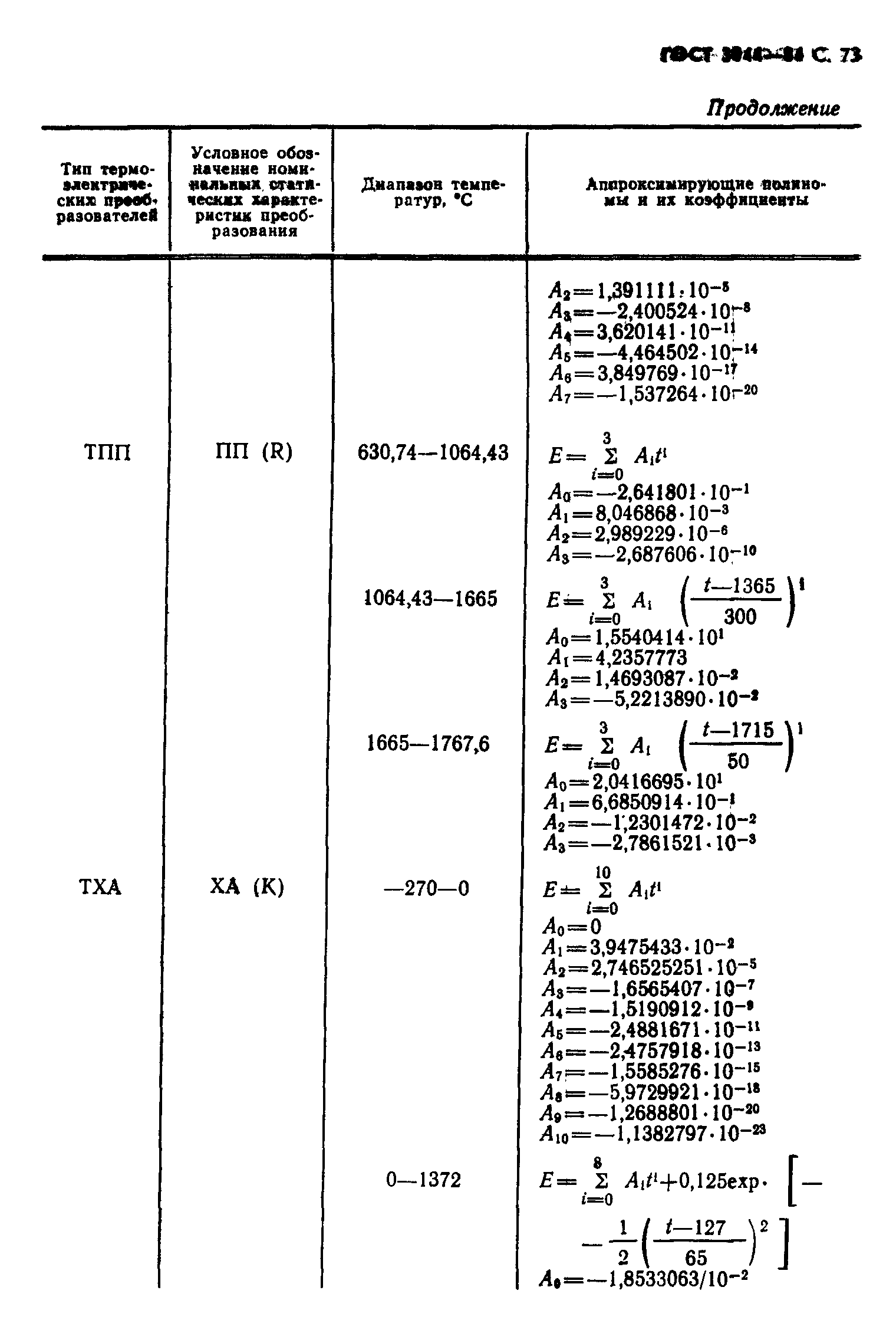
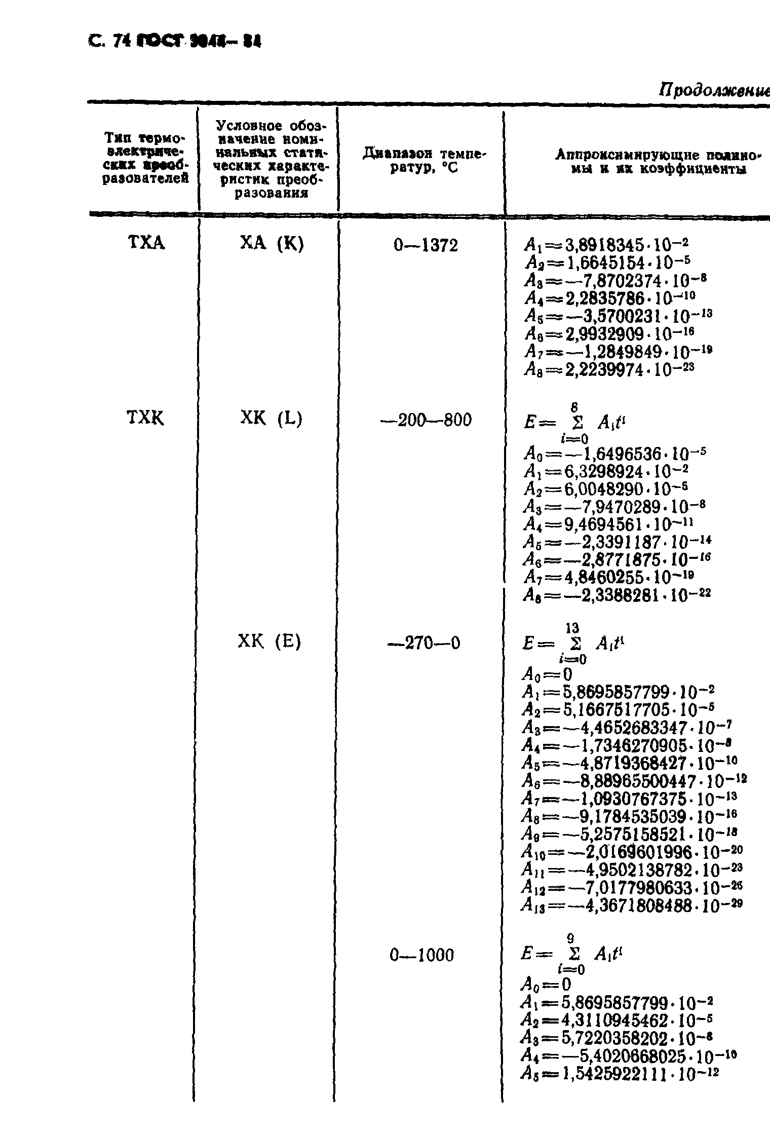
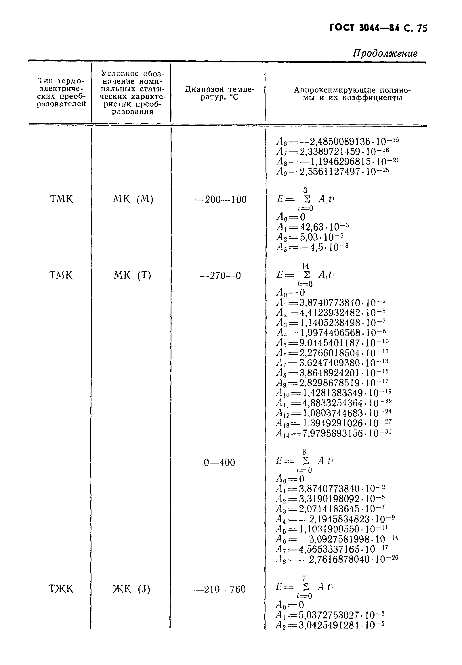
Настоящий стандарт распространяется на термоэлектрические преобразователи с металлическими электродами и устанавливает номинальные статические характеристики преобразования термопар, т.е. зависимость термоэлектродвижущей силы термопар от температуры рабочего конца при температуре свободных концов 0 град. С
Связи и замены
Взамен:
ГОСТ 3044-77
Изменения и переиздания
Список изменений:
№0 от (рег. ) «Поправка к изменению» №1 от (рег. ) «Срок действия продлен» №2 от (рег. ) «Срок действия продлен» №3 от (рег. ) «Срок действия продлен»
Описание стандарта
ГОСТ 3044-84 Преобразователи термоэлектрические. Номинальные статические характеристики преобразования
Страницы стандарта






















































































