ГОСТ 30849.2-2002 Вилки, штепсельные розетки и соединительные устройства промышленного назначения. Часть 2. Требования к взаимозаменяемости размеров штырей и контактных гнезд соединителей
ГОСТ
Скачать ГОСТ в PDF или DOC бесплатно
Основная информация
Обозначение:
ГОСТ 30849.2-2002
Статус:
Заменен
Тип:
ГОСТ
Название русское:
Вилки, штепсельные розетки и соединительные устройства промышленного назначения. Часть 2. Требования к взаимозаменяемости размеров штырей и контактных гнезд соединителей
Название английское:
Plugs, socket-outlets and couplers for industrial purposes. Part 2. Dimensional interchangeability requirements for pin and contact-tube accessories
Даты и сроки
Дата регистрации:
11-06-02
Дата издания:
02-10-14
Дата введения в действие:
01-01-14
Дата завершения срока действия:
07-01-18
Применение и описание
Область и условия применения:
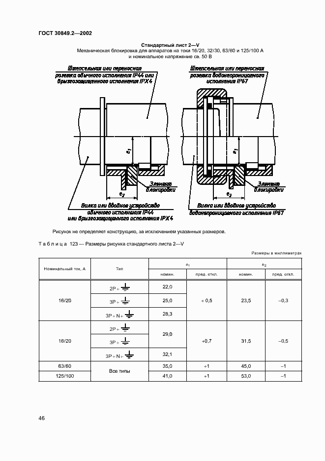
Настоящий стандарт распространяется на штепсельные соединители, кабельные соединители и вводные соединители промышленного назначения на номинальное рабочее напряжение не более 690 В постоянного и переменного тока частотой до 500 Гц и номинальный ток не более 125 А, применяемые для установки внутри и снаружи помещений
Связи и замены
Заменяющий:
ГОСТ IEC 60309-2-2016
Описание стандарта
ГОСТ 30849.2-2002 Вилки, штепсельные розетки и соединительные устройства промышленного назначения. Часть 2. Требования к взаимозаменяемости размеров штырей и контактных гнезд соединителей
Страницы стандарта










































































