ГОСТ 31972-2013 Автомобильные транспортные средства. Порядок и процедуры методов контроля установки газобаллонного оборудования
ГОСТ
Скачать ГОСТ в PDF или DOC бесплатно
Основная информация
Обозначение:
ГОСТ 31972-2013
Статус:
Утратил силу в РФ
Тип:
ГОСТ
Название русское:
Автомобильные транспортные средства. Порядок и процедуры методов контроля установки газобаллонного оборудования
Название английское:
Motor vehicles. Methods and procedures procedure for control systems gas equipment
Даты и сроки
Дата регистрации:
06-07-13
Дата издания:
09-17-19
Дата введения в действие:
09-01-14
Дата завершения срока действия:
05-01-20
Применение и описание
Область и условия применения:
Настоящий стандарт распространяется на автомобильные транспортные средства пассажирские и грузовые, имеющие двигатели внутреннего сгорания с искровым зажиганием как с карбюраторной системой питания, так и с системой впрыска топлива и двигатели внутреннего сгорания с воспламенением от сжатия и двухтопливной системой питания (газодизели), и устанавливает порядок и процедуры методов контроля установки на них газобаллонного оборудования. Установку газобаллонного оборудования производят в целях использования в двигателях внутреннего сгорания в качестве моторного топлива автомобильных марок сжиженных углеводородных газов: марки ПА и ПБА - или компримированного природного газа по ГОСТ 27577
Связи и замены
Заменяющий:
-
Изменения и переиздания
Список изменений:
№0 от (рег. ) «Дата введения перенесена»
Описание стандарта
ГОСТ 31972-2013 Автомобильные транспортные средства. Порядок и процедуры методов контроля установки газобаллонного оборудования
Страницы стандарта































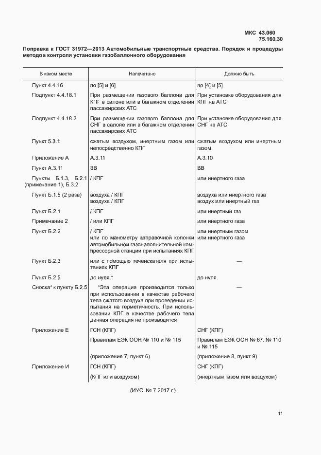
Приложение №2: Поправка к ГОСТ 31972-2013 Обозначение: Поправка к ГОСТ 31972-2013 Дата введения в действие: 06.04.2017

Приложение №3: Поправка к ГОСТ 31972-2013 Обозначение: Поправка к ГОСТ 31972-2013 Дата введения в действие: 13.03.2020
