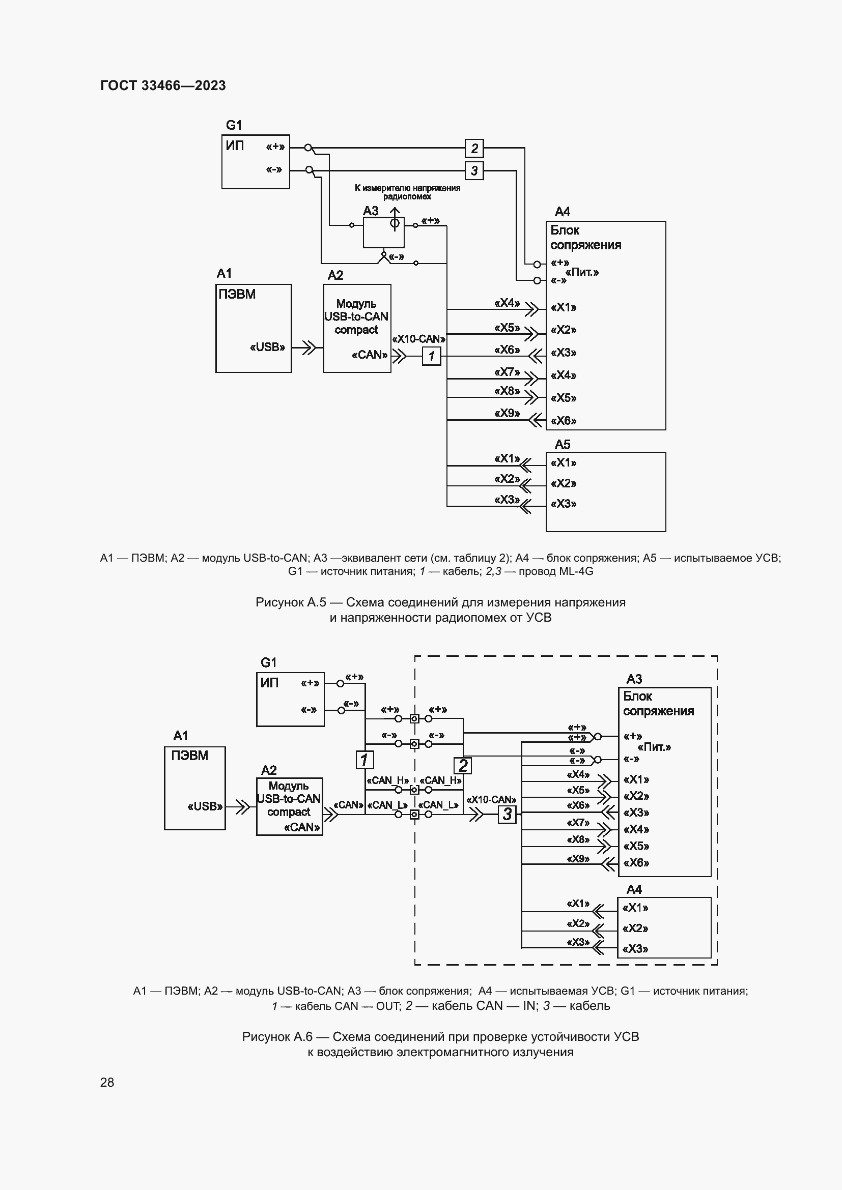
ГОСТ 33466-2023 Глобальная навигационная спутниковая система. Система экстренного реагирования при авариях. Методы испытаний устройства/системы вызова экстренных оперативных служб на соответствие требованиям по электромагнитной совместимости, стойкости к климатическим и механическим воздействиям
ГОСТ
Скачать ГОСТ в PDF или DOC бесплатно
Основная информация
Обозначение:
ГОСТ 33466-2023
Статус:
Принят
Тип:
ГОСТ
Название русское:
Глобальная навигационная спутниковая система. Система экстренного реагирования при авариях. Методы испытаний устройства/системы вызова экстренных оперативных служб на соответствие требованиям по электромагнитной совместимости, стойкости к климатическим и механическим воздействиям
Название английское:
Global navigation satellite system. Road accident emergency response system. Compliance test methods for electromagnetic compatibility, environmental and mechanical resistance requirements of in-vehicle emergency call device/system
Даты и сроки
Дата регистрации:
08-31-23
Дата издания:
11-14-23
Дата введения в действие:
06-01-24
Дата завершения срока действия:
-
Применение и описание
Область и условия применения:
Настоящий стандарт распространяется на устройства вызова экстренных оперативных служб, предназначенные для установки на колесные транспортные средства категорий М и N, а также на системы вызова экстренных оперативных служб, установленные на транспортные средства категорий М и N в соответствии с требованиями [1]. Настоящий стандарт устанавливает методы испытаний устройств/систем вызова экстренных оперативных служб на соответствие требованиям по электромагнитной совместимости, стойкости к климатическим и механическим воздействиям, установленным в ГОСТ 33464 для целей выполнения требований [1]
Связи и замены
Заменяющий:
-
Взамен:
ГОСТ 33466-2015
Описание стандарта
ГОСТ 33466-2023 Глобальная навигационная спутниковая система. Система экстренного реагирования при авариях. Методы испытаний устройства/системы вызова экстренных оперативных служб на соответствие требованиям по электромагнитной совместимости, стойкости к климатическим и механическим воздействиям
Страницы стандарта





































Приложение №1: Поправка к ГОСТ 33466-2023 Обозначение: Поправка к ГОСТ 33466-2023 Дата введения в действие: 24.04.2024
