ГОСТ 33553-2015 Автомобильные транспортные средства. Наконечники проводов низкого напряжения. Технические требования и методы испытаний
ГОСТ
Скачать ГОСТ в PDF или DOC бесплатно
Основная информация
Обозначение:
ГОСТ 33553-2015
Статус:
Действует
Тип:
ГОСТ
Название русское:
Автомобильные транспортные средства. Наконечники проводов низкого напряжения. Технические требования и методы испытаний
Название английское:
Automotive vehicles. Tips of low voltage wires. Technical requirements and test methods
Даты и сроки
Дата регистрации:
10-27-15
Дата издания:
07-25-16
Дата введения в действие:
04-01-17
Дата завершения срока действия:
-
Применение и описание
Область и условия применения:
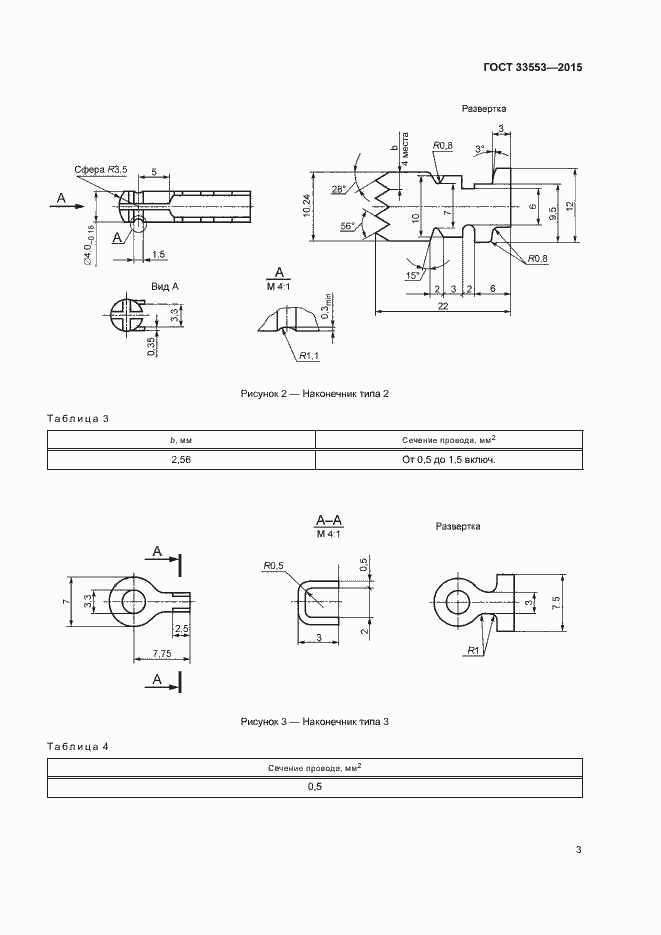
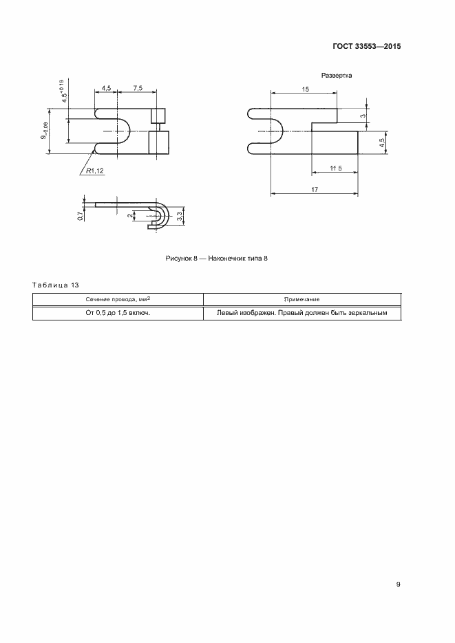
Настоящий стандарт распространяется на наконечники для автотракторного электрооборудования, закрепляемые на жилах и изоляции проводов низкого напряжения, и устанавливает технические требования к ним и методы испытаний
Связи и замены
Заменяющий:
-
Описание стандарта
ГОСТ 33553-2015 Автомобильные транспортные средства. Наконечники проводов низкого напряжения. Технические требования и методы испытаний
Страницы стандарта















