ГОСТ 34695.21-2-2020 Система зарядки электрических транспортных средств проводная. Часть 21-2. Требования для проводного соединения с источником питания переменного или постоянного тока. Требования электромагнитной совместимости для внешних зарядных систем
ГОСТ
Скачать ГОСТ в PDF или DOC бесплатно
Основная информация
Обозначение:
ГОСТ 34695.21-2-2020
Статус:
Действует
Тип:
ГОСТ
Название русское:
Система зарядки электрических транспортных средств проводная. Часть 21-2. Требования для проводного соединения с источником питания переменного или постоянного тока. Требования электромагнитной совместимости для внешних зарядных систем
Название английское:
Electric vehicle conductive charging system. Part 21-2. Requirements for conductive connection to an AC/DC supply. EMC requirements for off board charging systems
Даты и сроки
Дата регистрации:
10-30-20
Дата издания:
12-15-20
Дата введения в действие:
06-01-21
Дата завершения срока действия:
-
Применение и описание
Область и условия применения:
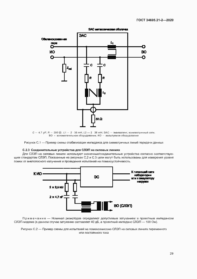
Настоящий стандарт устанавливает требования к электромагнитной совместимости к любым внешним компонентам, оборудованию или системам, использующимся для питания или зарядки электромобилей электроэнергией посредством электропроводной передачи энергии с номинальным входным напряжением до 1000 В переменного тока или 1500 В постоянного тока и выходным напряжением до 1000 В переменного тока или 1500 В постоянного тока в соответствии с ГОСТ 29322. Настоящий стандарт устанавливает требования к внешнему зарядному оборудованию для режимов зарядки 1-4 зарядки (см. ГОСТ IEC 61851-1). Кабели, в которых нет электроники или нет электрического/электронного переключения, считаются пассивными и соответствующими требованиям по излучению и помехоустойчивости, приведенным в настоящем стандарте, без проведения испытаний
Связи и замены
Заменяющий:
-
Описание стандарта
ГОСТ 34695.21-2-2020 Система зарядки электрических транспортных средств проводная. Часть 21-2. Требования для проводного соединения с источником питания переменного или постоянного тока. Требования электромагнитной совместимости для внешних зарядных систем
Страницы стандарта
















































