ГОСТы >
75.200 Оборудование для переработки нефти, нефтяных продуктов и природного газа >
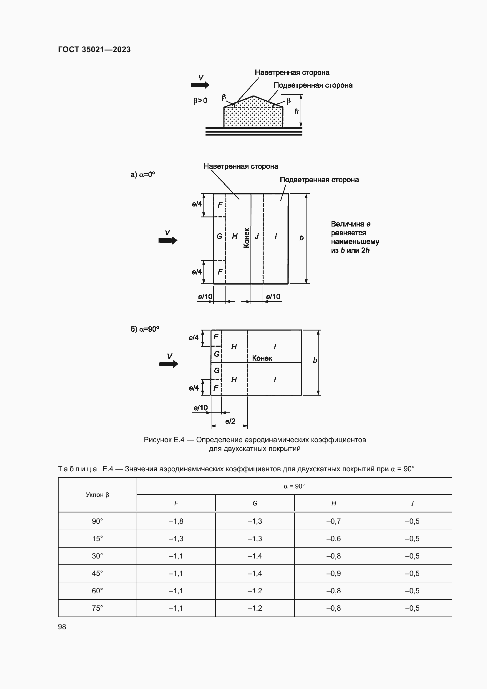
ГОСТ 35021-2023
ГОСТ 35021-2023 Магистральный трубопроводный транспорт нефти и нефтепродуктов. Нагрузки и воздействия
ГОСТ
Скачать ГОСТ в PDF или DOC бесплатно
Основная информация
Обозначение:
ГОСТ 35021-2023
Статус:
Действует
Тип:
ГОСТ
Название русское:
Магистральный трубопроводный транспорт нефти и нефтепродуктов. Нагрузки и воздействия
Название английское:
Trunk pipeline transport of oil and oil products. Loads and impacts
Даты и сроки
Дата регистрации:
10-19-23
Дата издания:
12-01-23
Дата введения в действие:
01-01-24
Дата завершения срока действия:
-
Применение и описание
Область и условия применения:
Настоящий стандарт устанавливает правила назначения нагрузок, воздействий и их сочетаний (включая сейсмические) при проектировании зданий и сооружений, расположенных на объектах магистрального трубопровода для транспортировки нефти и нефтепродуктов. Настоящий стандарт распространяется на проектирование новых и реконструируемых зданий и сооружений, размещаемых на площадках с расчетной сейсмичностью до 9 баллов по шкале MSK-64 [1]. При проектировании следует учитывать нагрузки, возникающие при возведении и эксплуатации сооружений, а также при изготовлении, хранении и перевозке строительных конструкций
Связи и замены
Заменяющий:
-
Описание стандарта
ГОСТ 35021-2023 Магистральный трубопроводный транспорт нефти и нефтепродуктов. Нагрузки и воздействия
Страницы стандарта



































































































































Приложение №1: Поправка к ГОСТ 35021-2023 Обозначение: Поправка к ГОСТ 35021-2023 Дата введения в действие: 15.05.2024
